EasyManua.ls Logo

ABB TPU - Page 43

ABB TPU
60 pages
Print Icon
To Next Page IconTo Next Page
To Next Page IconTo Next Page
To Previous Page IconTo Previous Page
To Previous Page IconTo Previous Page
Loading...
43
Weight: 24 kg
Creepage distance: 296 mm
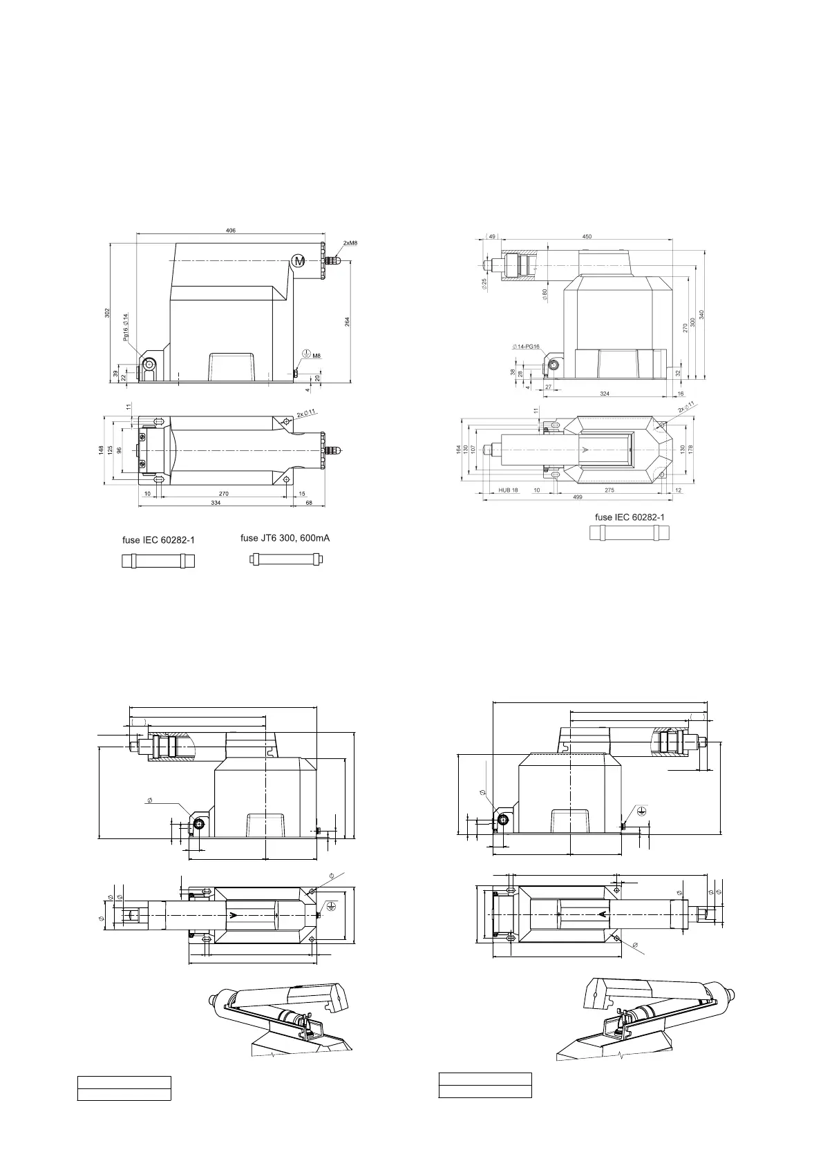
TJP 4.1
TJP 5.1
fuse JT6 300 mA
fuse JT6 600 mA
240
49
277,5
307
356
489
209
4
28
38
27
20
133201
20
max.
14-Pg16
125
148
10 270
334
40
75
2x
11
25
12
11
M8
Drawing n.
1VL4200251R0101
TJP 4.0-F
WEIGHT: 24kg
CREEPAGE DISTANCE: 403mm

Weight: 24 kg
Creepage distance: 403 mm


fuse IEC 60282-1
49
356
307
4
20
133
201
28
38
27
240
557
209
20
max.
14-Pg16
M8
270
10
125
148
75
40
25
235
11
334
2x
11
12
Drawing n.
1VL4200300R0101
TJP 4.0-F
WEIGHT: 24kg
CREEPAGE DISTANCE: 403mm

Weight: 24 kg
Creepage distance: 403 mm


fuse IEC 60282-1
TJP 4.2
TJP 5.2
fuse IEC 60282-1
Weight: 41 kg
Creepage distance: 453 mm
TJP 4.4
TJP 5.4

Related product manuals