EasyManua.ls Logo

ABB TPU - Page 52

ABB TPU
60 pages
Print Icon
To Next Page IconTo Next Page
To Next Page IconTo Next Page
To Previous Page IconTo Previous Page
To Previous Page IconTo Previous Page
Loading...
52
CURRENT AND VOLTAGE INSTRUMENT TRANSFORMERS
INSTRUCTIONS FOR INSTALLATION, USE AND MAINTENANCE
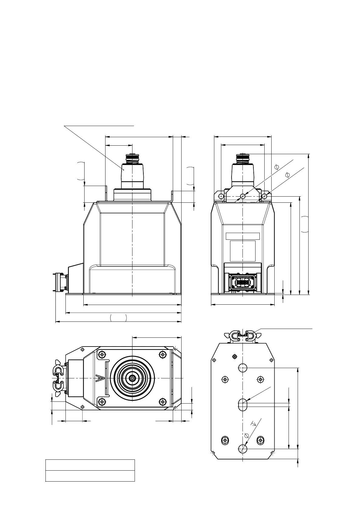
TJMC 7.0 W

80
200 25
49,5
34,5
290
375
343
Cable plug CBN35-PT-2
145
50 25
20
25
273
417
128
291,5
2x
14,8
14,2
170
188
4
240
30
25
8
125 11
R12,5
W12 type plug-in
12 pole connector
Drawing n.
2RKA023050A0002
TJMC 7.0 W
WEIGHT: 41kg

Weight: 41 kg
Metal Coated Types
Dimensional Drawing

Related product manuals