EasyManua.ls Logo

Abit AX5 - System Block Diagram

Abit AX5
119 pages
Print Icon
To Next Page IconTo Next Page
To Next Page IconTo Next Page
To Previous Page IconTo Previous Page
To Previous Page IconTo Previous Page
Loading...
1-12 Chapter 1
¯
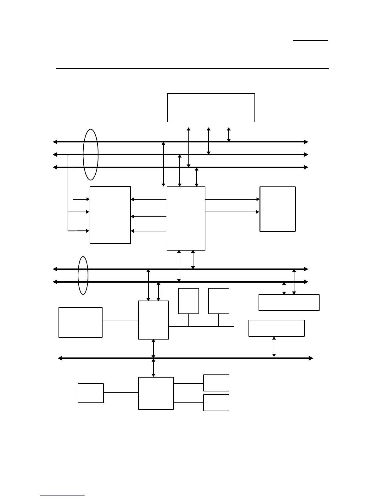
System block diagram
Fig. 1-4 System block diagram
Pentium
Processor
3.3V
Host BUS
Data
Address
Control
Ctrl Addr
Second
Level Cache
PCI BUS
Ctrl
Tag Ctrl
TIO[0..7]
Control
Address/Data
Universal Serial Bus
ISA BUS
Fast
IDE
PIIX4
Main
Memory
(DRAM)
CACHE
(SRAM)
TAG
MTXC
CD ROM &
Hard Disk
USB
1
USB
2
PCI Device(s)
Winbond
W83977
ISA Device(s)
Serial
LPT
FDC

Related product manuals