EasyManua.ls Logo

Ablerex TAURUS 10 kVA - Page 30

Ablerex TAURUS 10 kVA
60 pages
Print Icon
To Next Page IconTo Next Page
To Next Page IconTo Next Page
To Previous Page IconTo Previous Page
To Previous Page IconTo Previous Page
Loading...
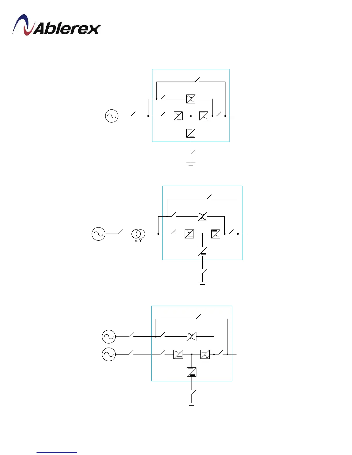
Electrical System Connections
UPS with single Input
Load
3P+N
UPS with single input and isolation transformer
Load
3P 3
P+
N
UPS with dual inputs
Load
3P+N
3P+N
28
192321262008007

Related product manuals