EasyManua.ls Logo

Ablerex TAURUS 10 kVA - Page 34

Ablerex TAURUS 10 kVA
60 pages
Print Icon
To Next Page IconTo Next Page
To Next Page IconTo Next Page
To Previous Page IconTo Previous Page
To Previous Page IconTo Previous Page
Loading...
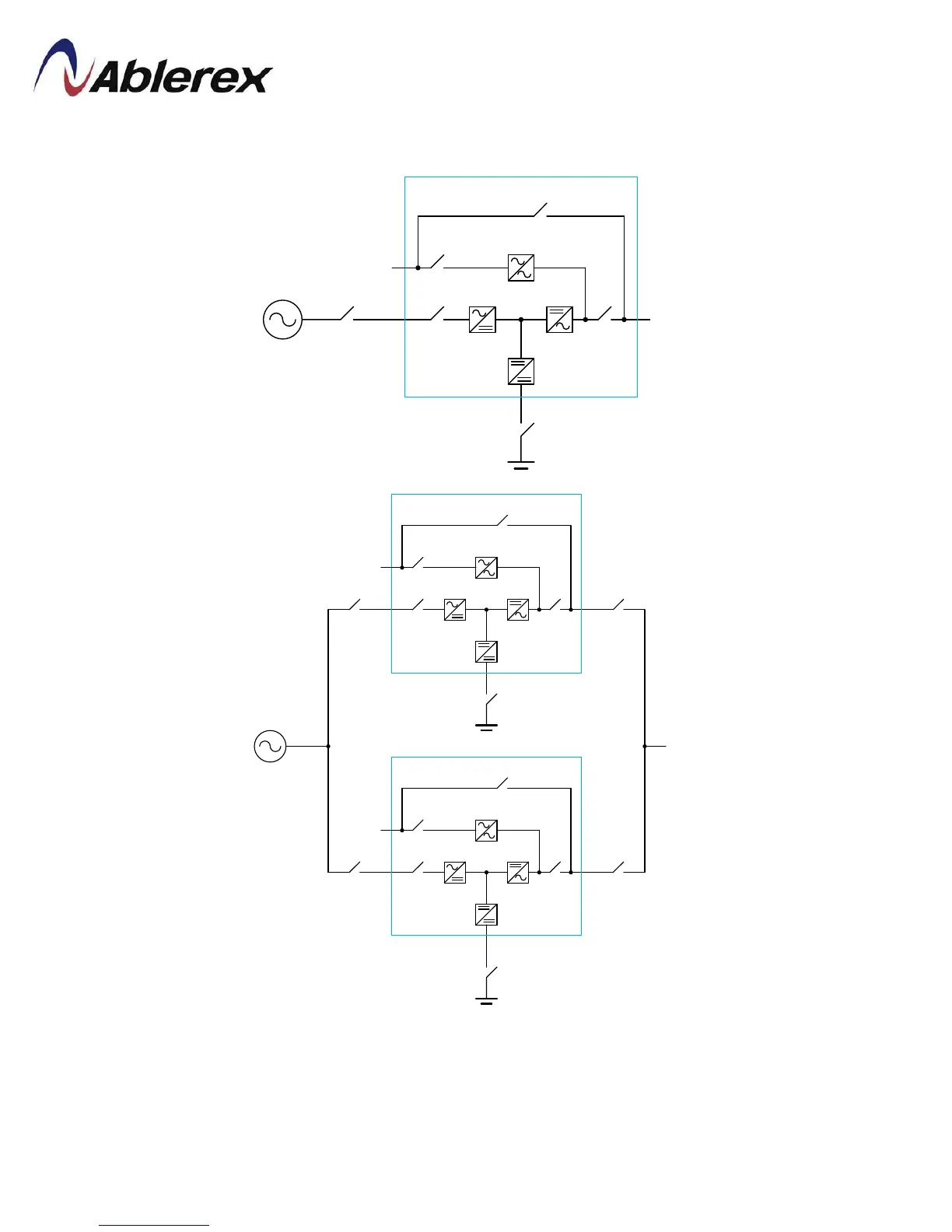
Converter Mode
Please do not connect the bypass input.
Load
3
P+
N
Load
3P+N
Note :Up to 6 units can be operated in parallel for Converter Mode operation and common
battery function is available.
32
192321262008007

Related product manuals