EasyManua.ls Logo

Abus 17787 - Page 10

Abus 17787
37 pages
Print Icon
To Next Page IconTo Next Page
To Next Page IconTo Next Page
To Previous Page IconTo Previous Page
To Previous Page IconTo Previous Page
Loading...
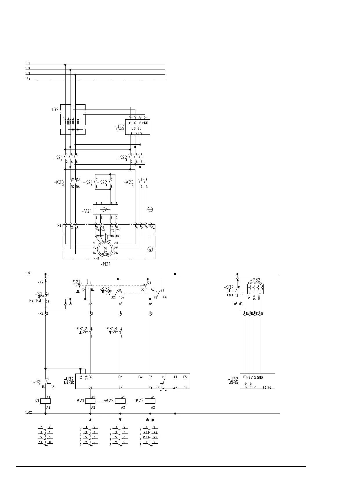
Page 10 Data : 01.03.2016
Standard wiring diagram, LIS- SE with one hoist
Figur 2

Related product manuals