EasyManua.ls Logo

Abus 17787 - Page 11

Abus 17787
37 pages
Print Icon
To Next Page IconTo Next Page
To Next Page IconTo Next Page
To Previous Page IconTo Previous Page
To Previous Page IconTo Previous Page
Loading...
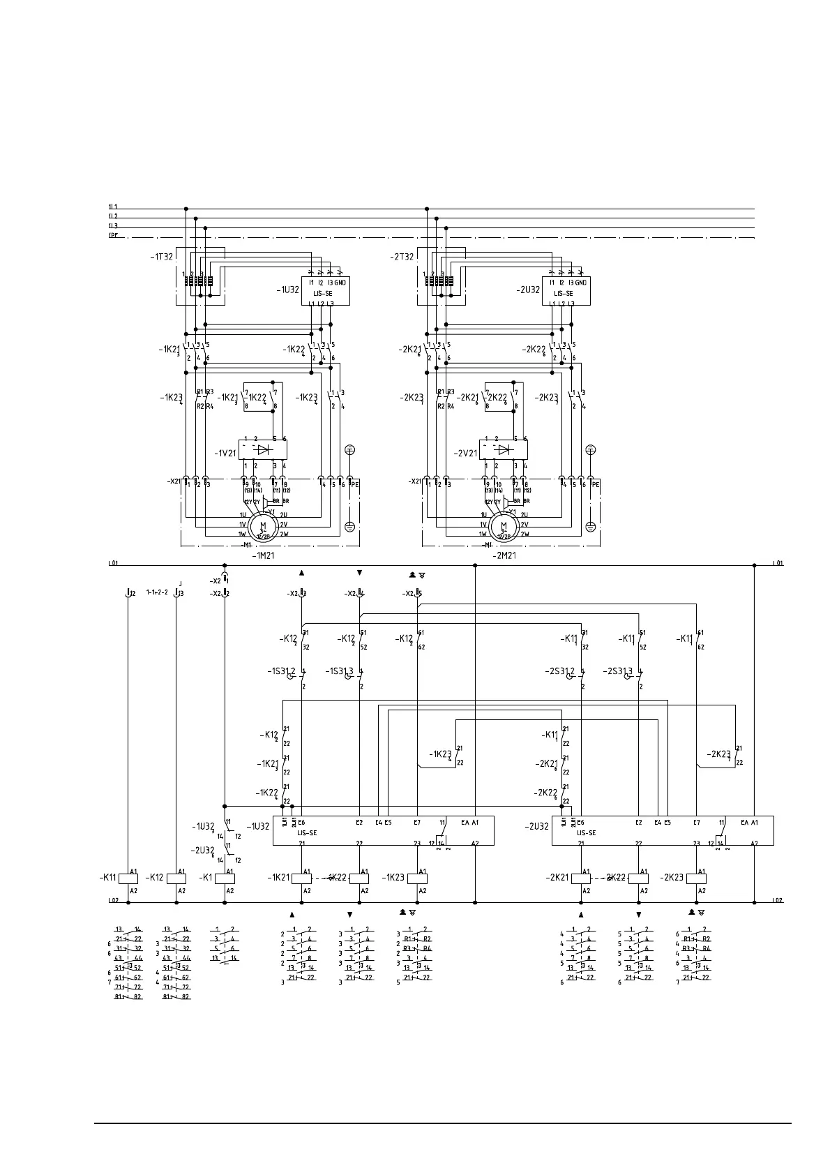
Page 11AN120076.000_EN
Standard wiring diagram, LIS- SE with two hoists
Figur 3
Katzumschaltung

Related product manuals