EasyManua.ls Logo

Abus 17787 - Page 12

Abus 17787
37 pages
Print Icon
To Next Page IconTo Next Page
To Next Page IconTo Next Page
To Previous Page IconTo Previous Page
To Previous Page IconTo Previous Page
Loading...
Page 12 Data : 01.03.2016
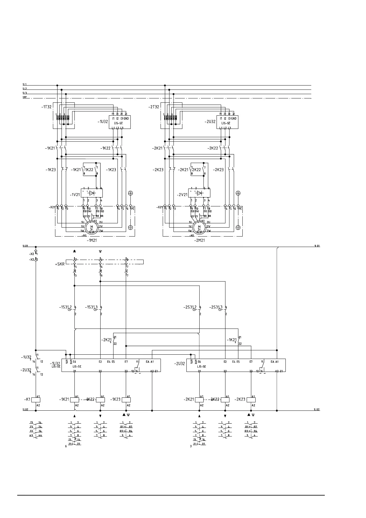
Standard wiring diagram, LIS- SE with twin hoist
Figur 4
schnell

Related product manuals