EasyManua.ls Logo

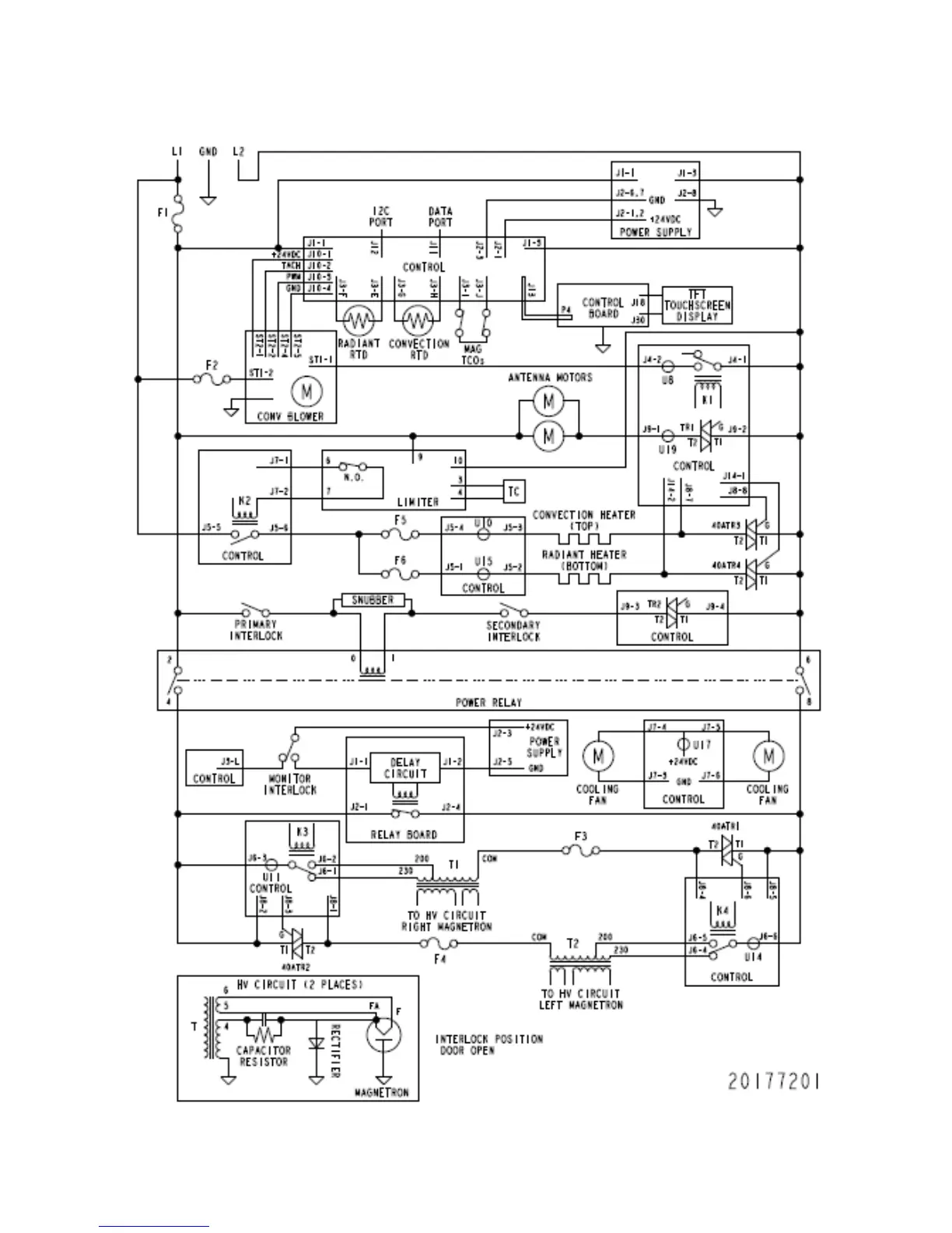
ACP MXP22QTT - Electrical Schematics and Diagrams; Main Power Circuit Schematic

ACP MXP22QTT
39 pages
Print Icon
To Next Page IconTo Next Page
To Next Page IconTo Next Page
To Previous Page IconTo Previous Page
To Previous Page IconTo Previous Page
Loading...
SCHEMATICS & DIAGRAMS
P2004210M
32

Related product manuals