EasyManua.ls Logo

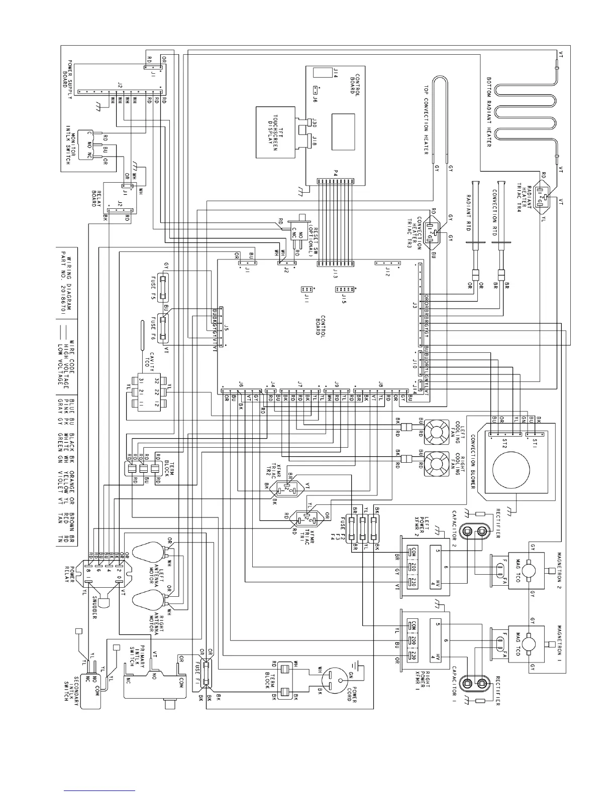
ACP MXP22QTT - Wiring Diagram Components; Component Level Wiring Diagram with Wire Codes

ACP MXP22QTT
39 pages
Print Icon
To Next Page IconTo Next Page
To Next Page IconTo Next Page
To Previous Page IconTo Previous Page
To Previous Page IconTo Previous Page
Loading...
P2004231M
35

Related product manuals