EasyManua.ls Logo

Acson A5MSY18BR - Wiring Diagram

Acson A5MSY18BR
66 pages
Print Icon
To Next Page IconTo Next Page
To Next Page IconTo Next Page
To Previous Page IconTo Previous Page
To Previous Page IconTo Previous Page
Loading...
34
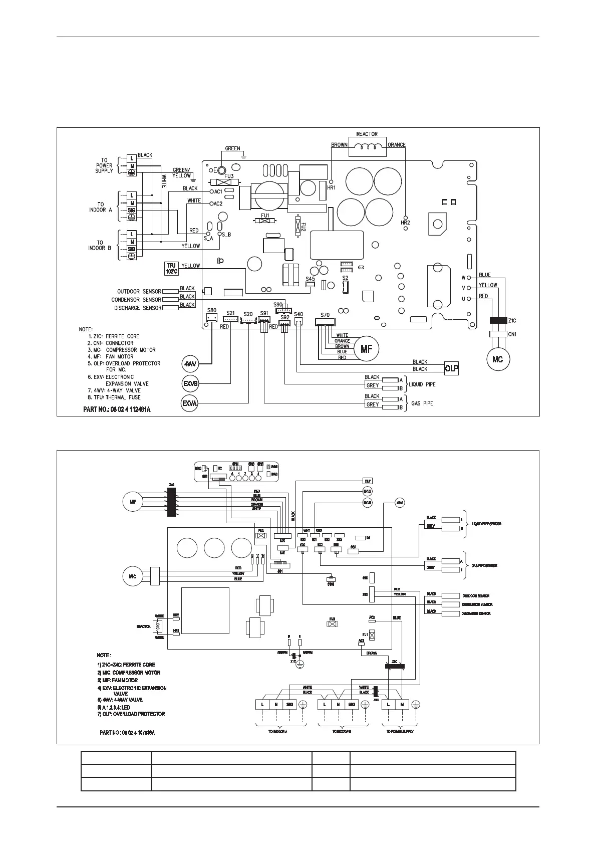
A5MSY_(i) Wiring Diagram
Wiring Diagram
Outdoor Unit
Model: A5MSY18BR
Outdoor Unit
Model: A5MSY20BR
LED A Service monitor LED (green) SW3 Wiring error check switch
LED1 - LED4 Service monitor LED (red) SW4 Priority room setting switch
SW1 Forced operation ON/OFF switch SW5 Night quiet mode setting switch

Related product manuals