EasyManua.ls Logo

Acson A5MSY18BR - Refrigerant Circuit Diagrams

Acson A5MSY18BR
66 pages
Print Icon
To Next Page IconTo Next Page
To Next Page IconTo Next Page
To Previous Page IconTo Previous Page
To Previous Page IconTo Previous Page
Loading...
6
A5MSY_(i) Application Information
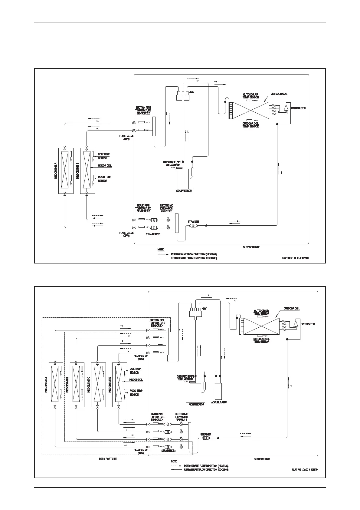
Refrigerant Circuit Diagrams
Model: A5MSY18BR
A5MSY20BR
Model: A5MSY25BR
A5MSY30BR

Related product manuals