EasyManua.ls Logo

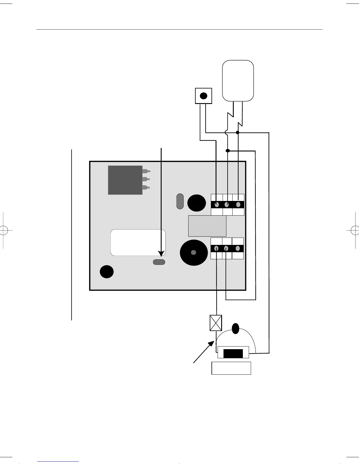
ACT 5 PROX - ACT5 prox Wiring Diagram for Mag Lock

ACT 5 PROX
12 pages
Print Icon
To Next Page IconTo Next Page
To Next Page IconTo Next Page
To Previous Page IconTo Previous Page
To Previous Page IconTo Previous Page
Loading...
9
N/O
Comm
N/C
BATCH:
PRODUCT
SERIAL NUMBER
01XX-
ACT5prox
00XXX X
Note
:
The ACT5prox may be
powered from 12 or 24V AC or DC.
Door Release
Button
Power
Supply Unit
This illustration shows wiring
for normally de-energised
locks. If normally energised
locks are required, use the
N/C relay contacts .
Important!
Always Place Varistor
Across Lock Terminals
12-24V
AC/DC
Push Button
0V
SCHRACK
12V = DC
5A/250V ~AC
LK1
Power up without link if
Programming code has been lost
Break Glass
Unit (optional)
ACT5prox Wiring Diagram for Mag Lock
Fig 2
ACT5prox Operating and Installation Instructions
Act 12pp ACT5prox:Act 20pp 1.1 English 14/11/2007 13:10 Page 9

Related product manuals