EasyManua.ls Logo

ACTi D71 - Mount the IP Indoor Dome (Wall)

ACTi D71
23 pages
Print Icon
To Next Page IconTo Next Page
To Next Page IconTo Next Page
To Previous Page IconTo Previous Page
To Previous Page IconTo Previous Page
Loading...
www.acti.com
Hardware Manual
14
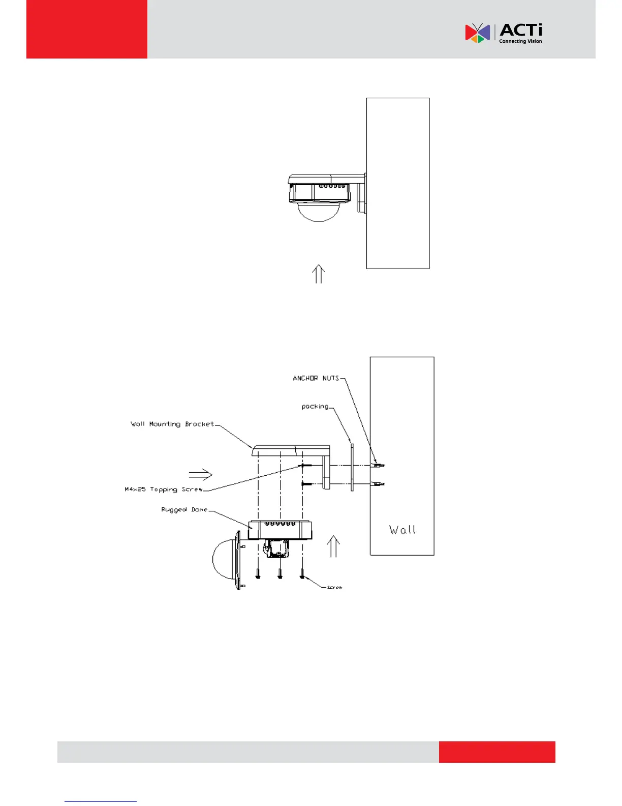
Mount the IP Indoor Dome (Wall)

Other manuals for ACTi D71

Related product manuals