EasyManua.ls Logo

ADC AD-464 - Page 86

ADC AD-464
96 pages
Print Icon
To Next Page IconTo Next Page
To Next Page IconTo Next Page
To Previous Page IconTo Previous Page
To Previous Page IconTo Previous Page
Loading...
82
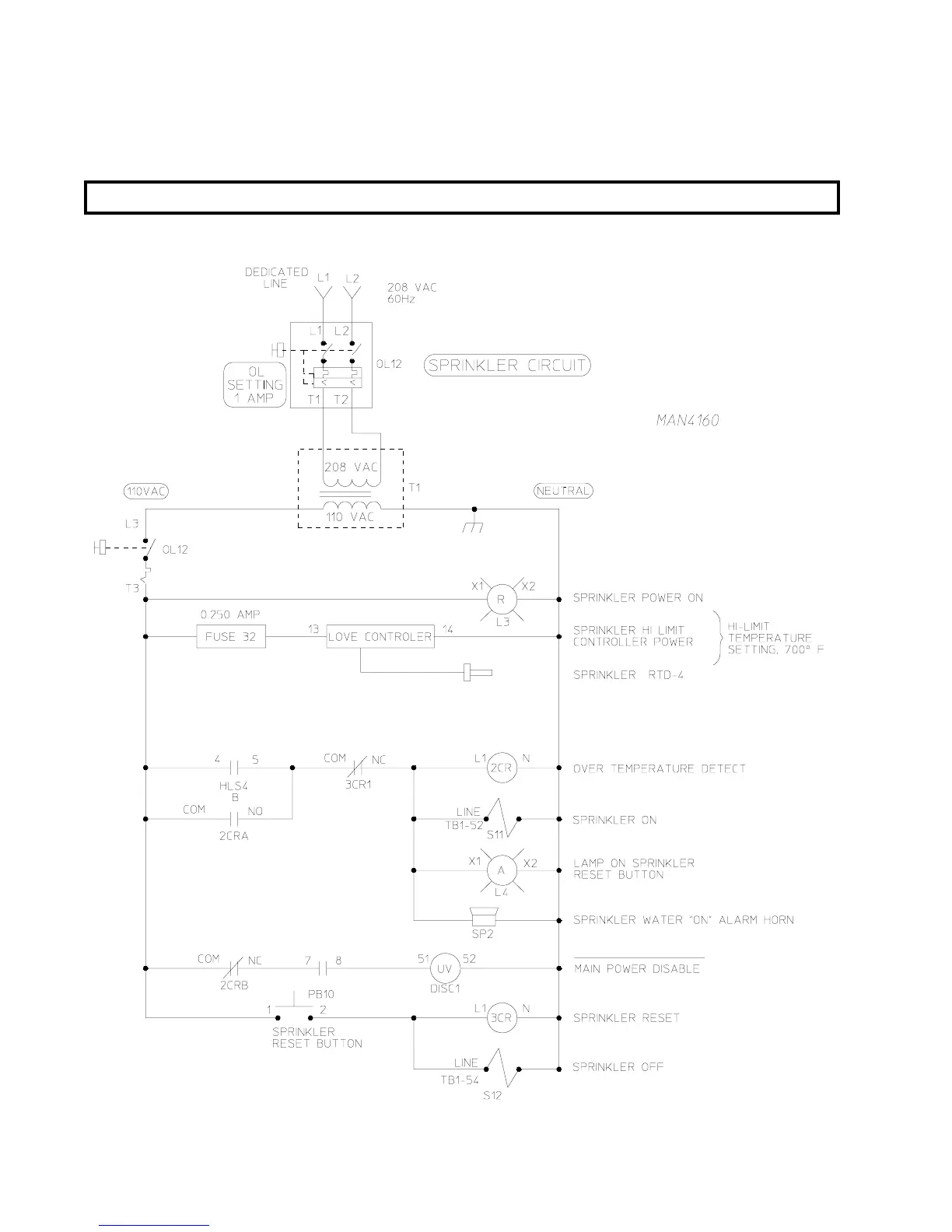
d. Sprinkler Digital Temperature Controller
The sprinkler digital temperature controller is a programmable microprocessor (computer). It is used to
monitor temperature via a Resistive Temperature Device (RTD).
NOTE: Operating parameters are preset at the factory and should not require any adjustment.

Related product manuals