EasyManua.ls Logo

AERMEC AN 150 A - Page 55

AERMEC AN 150 A
68 pages
Print Icon
To Next Page IconTo Next Page
To Next Page IconTo Next Page
To Previous Page IconTo Previous Page
To Previous Page IconTo Previous Page
Loading...
55
M
3
16 16A
A
SCV
1 1A
400V 50Hz
L3
L2
L1
N
PE
SEZ. A
P
BL
M
1
NE
MA
6
5
BL
M
1
1
2
3
4
NE
MA
Y
GND
M
3
1
2
11
0V
12
24V
L
N'
5
5A
IL
MTCP
CCP
CP
AP1
MTA
MV1
CM
MV2
CM
CMP
MP
R
CCP
TR
7
5
3
1
8
6
4
2
1
2
3
4
5
6
1
2
CRS
3
4
5
6
1
2
3
4
BL NE MA BL NE MA
2
4
UV
6
8
21
22
0
024
230
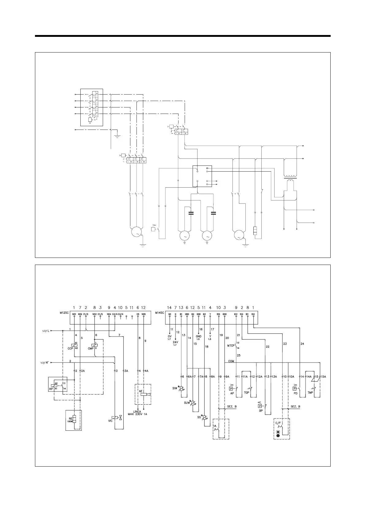
AN 050HA - 080HA
Gli schemi elettrici sono soggetti ad aggiornamento; è opportuno fare riferimento allo schema elettrico allegato all'apparecchio.
Wiring diagrams may change for updating. It is therefore necessary to refer always to the wiring diagram inside the units.
SCHEMI ELETTRICI • WIRING DIAGRAMS
AN 050 HA - 080 HA

Related product manuals