EasyManua.ls Logo

AERMEC AN 150 A - Page 56

AERMEC AN 150 A
68 pages
Print Icon
To Next Page IconTo Next Page
To Next Page IconTo Next Page
To Previous Page IconTo Previous Page
To Previous Page IconTo Previous Page
Loading...
56
AN 090 HA
AN 090 HA
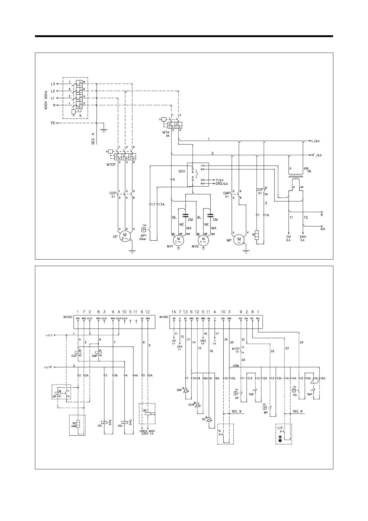
Gli schemi elettrici sono soggetti ad aggiornamento; è opportuno fare riferimento allo schema elettrico allegato all'apparecchio.
Wiring diagrams may change for updating. It is therefore necessary to refer always to the wiring diagram inside the units.
SCHEMI ELETTRICI • WIRING DIAGRAMS

Related product manuals