EasyManua.ls Logo

AERMEC AN - Page 54

AERMEC AN
68 pages
Print Icon
To Next Page IconTo Next Page
To Next Page IconTo Next Page
To Previous Page IconTo Previous Page
To Previous Page IconTo Previous Page
Loading...
54
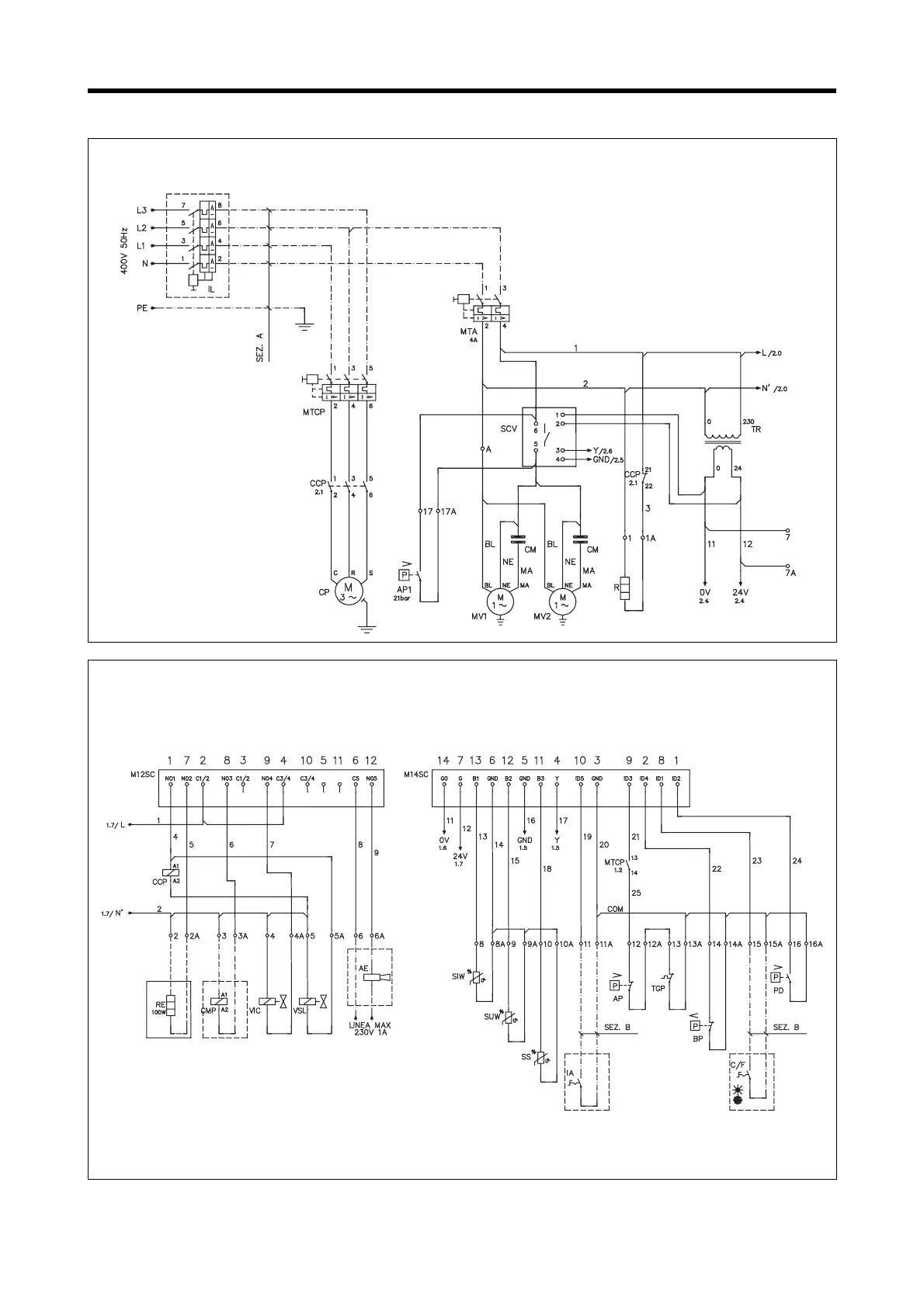
SCHEMI ELETTRICI • WIRING DIAGRAMS
Gli schemi elettrici sono soggetti ad aggiornamento; è opportuno fare riferimento allo schema elettrico allegato all'apparecchio.
Wiring diagrams may change for updating. It is therefore necessary to refer always to the wiring diagram inside the units.
AN 090 H
AN 090 H

Related product manuals