EasyManua.ls Logo

AERMEC MIH - Page 17

AERMEC MIH
48 pages
Print Icon
To Next Page IconTo Next Page
To Next Page IconTo Next Page
To Previous Page IconTo Previous Page
To Previous Page IconTo Previous Page
Loading...
17
1/4
1/4
3/8
3/8
MIH180C
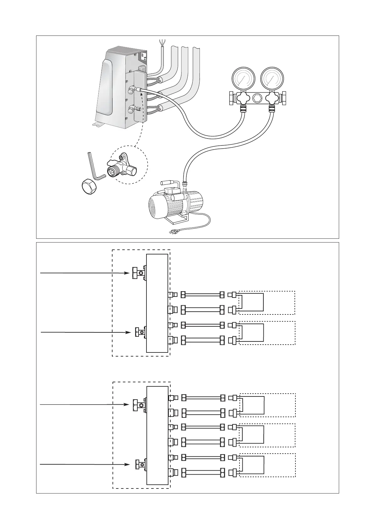
Gas (A)
Gas (B)
Liq. (A)
Liq. (B)
(B)
(A)
MIH-E
MIHP-E
MIH-E
MIHP-E
Valvola della linea del liquido
Liquid side valve
Valvola della linea del gas
Gas side valve
Liq. = Linea del liquido • Liquid side 6,35 x (0,8) (1/4”)
Gas = Linea del gas • Gas side 9,52 x (0,8) (3/8”)
1/4
3/8
1/4
1/4
3/8
3/8
(B)
(A)
MIH-E
MIHP-E
MIH240C
Gas (A)
Gas (B)
Gas (C)
Liq. (A)
Liq. (B)
Liq. (C)
(C)
MIH-E
MIHP-E
MIH-E
MIHP-E
Valvola della linea del liquido
Liquid side valve
Valvola della linea del gas
Gas side valve
Fig. 2
Fig. 3

Table of Contents

Other manuals for AERMEC MIH

Related product manuals