EasyManua.ls Logo

Aertesi BREZZA DOUBLE Series - Page 17

Aertesi BREZZA DOUBLE Series
24 pages
Print Icon
To Next Page IconTo Next Page
To Next Page IconTo Next Page
To Previous Page IconTo Previous Page
To Previous Page IconTo Previous Page
Loading...
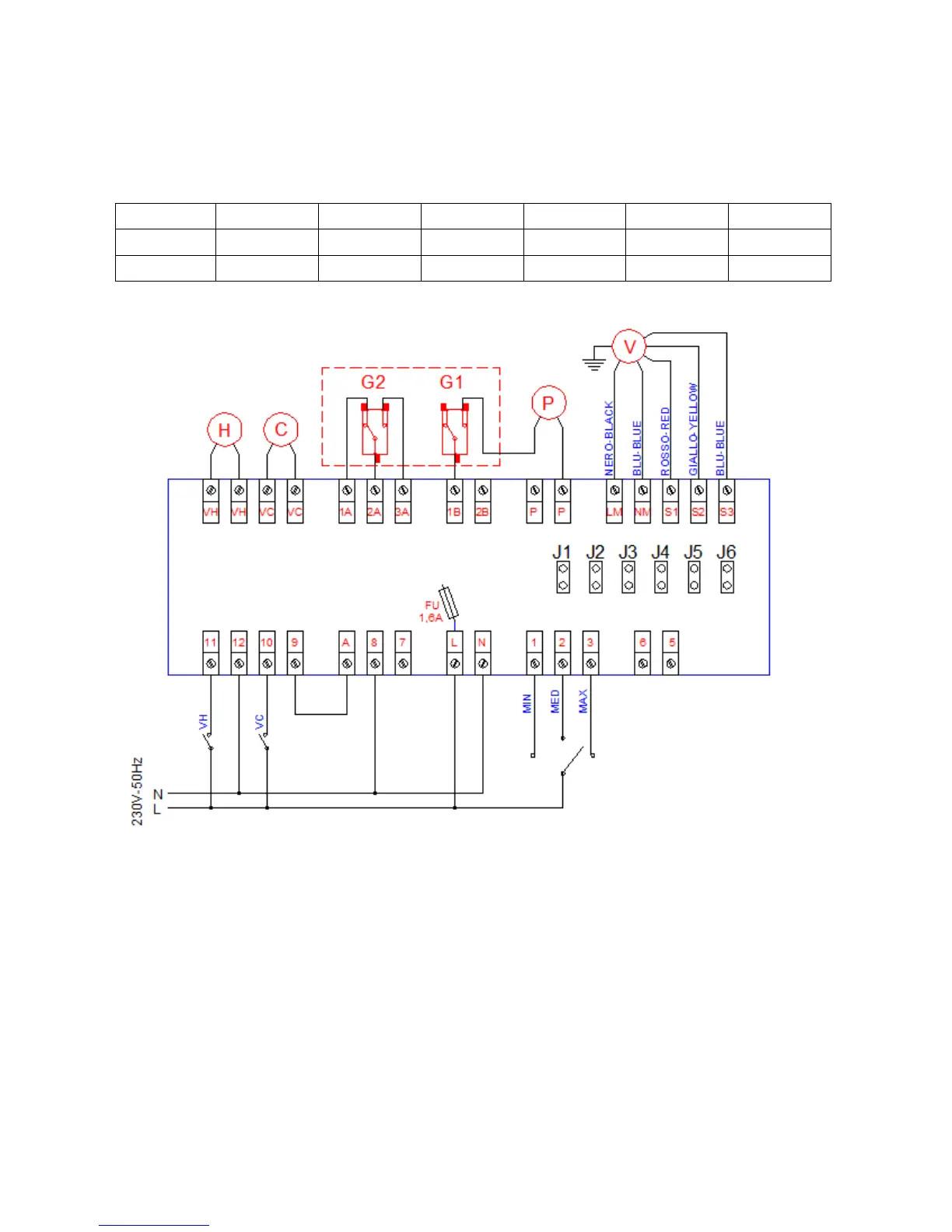
ELECTRICAL CONNECTIONS FOR 3 SPEEDSCONTROL : you must close the jumpers J3 and J4; jumpers
J1, J2, J5, J6 are reserved to factory settings and should not be changed.
Model
J1
J2
J3
J4
J5
J6
7x-13x
opened
closed
closed
closed
closed
closed
9x-16x
closed
opened
closed
closed
closed
closed

Related product manuals