EasyManua.ls Logo

Aertesi BREZZA DOUBLE Series - Wiring Diagram: EC Motor Cassette

Aertesi BREZZA DOUBLE Series
24 pages
Print Icon
To Next Page IconTo Next Page
To Next Page IconTo Next Page
To Previous Page IconTo Previous Page
To Previous Page IconTo Previous Page
Loading...
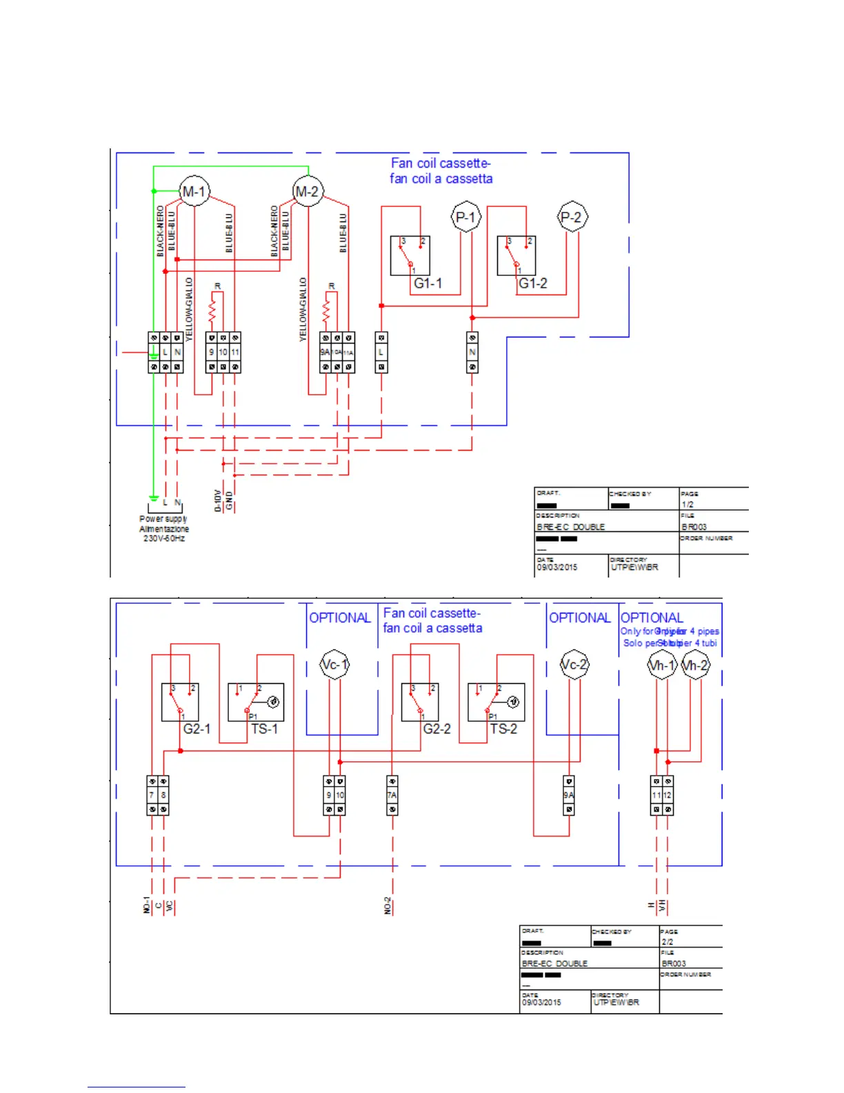
12.2-Wiring diagram cassette with EC motor

Related product manuals