EasyManua.ls Logo

Aertesi BREZZA DOUBLE Series - Electrical Wiring Diagrams; Wiring Diagram: AC Motor Cassette

Aertesi BREZZA DOUBLE Series
24 pages
Print Icon
To Next Page IconTo Next Page
To Next Page IconTo Next Page
To Previous Page IconTo Previous Page
To Previous Page IconTo Previous Page
Loading...
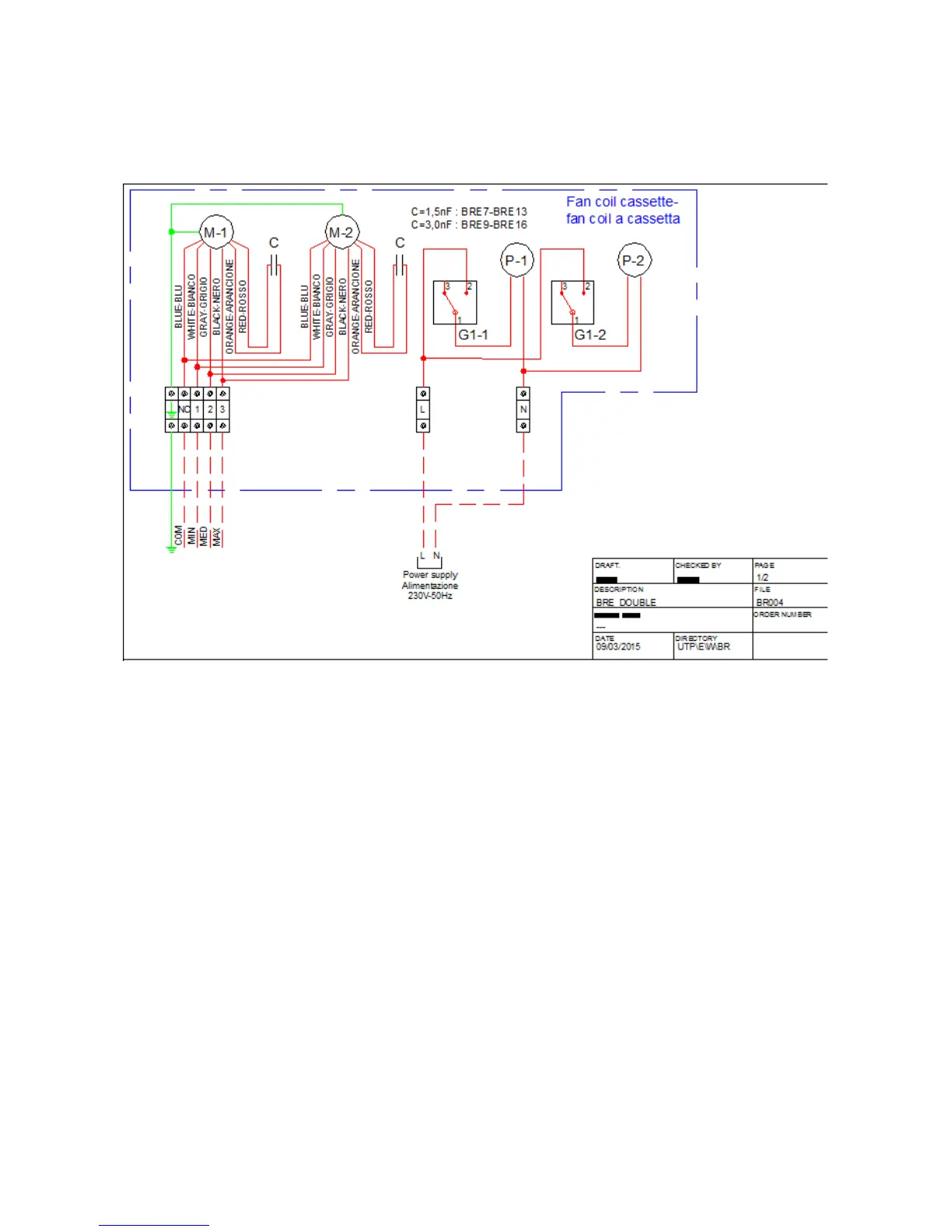
12-Electrical wiring diagrams
12.1- Wiring diagram cassette with AC motor

Related product manuals