EasyManua.ls Logo

Agilent Technologies 6674A - Page 46

Agilent Technologies 6674A
161 pages
To Next Page IconTo Next Page
To Next Page IconTo Next Page
To Previous Page IconTo Previous Page
To Previous Page IconTo Previous Page
Loading...
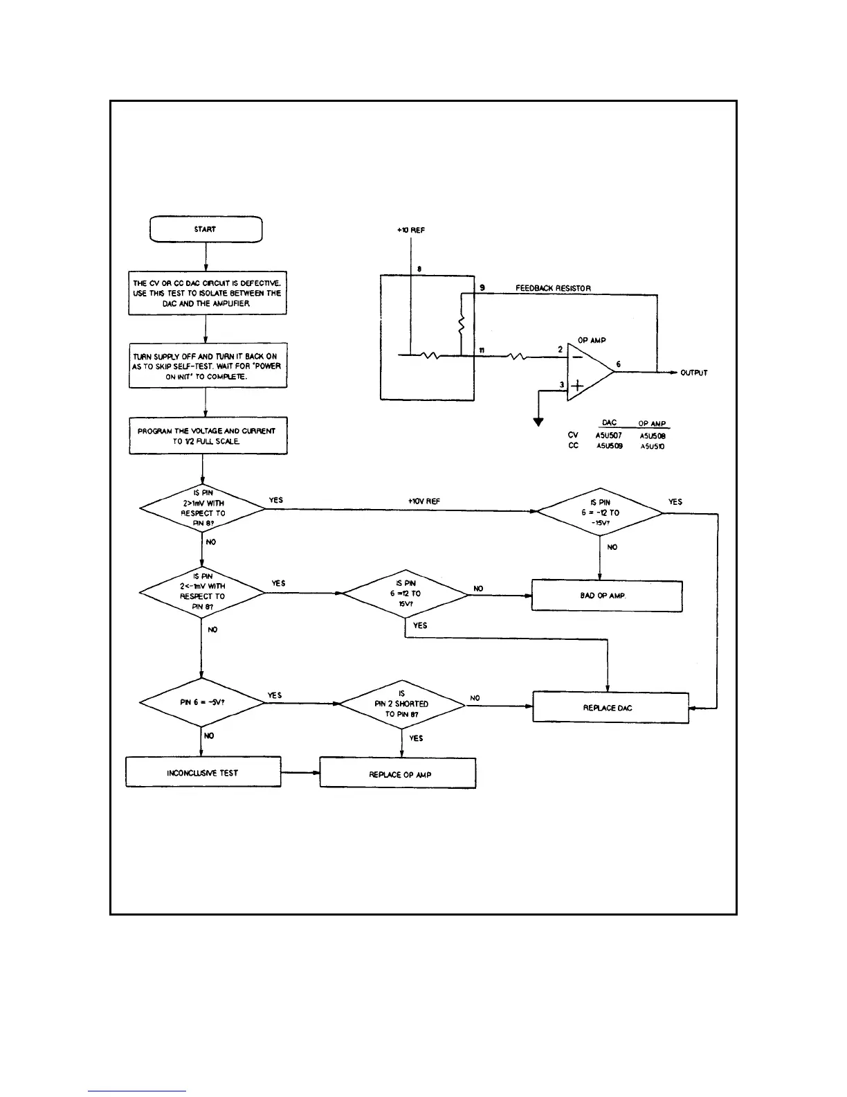
46 Troubleshooting
Figure 3-9. CV/CC DAC and Amplifier Circuit Troubleshooting

Table of Contents

Related product manuals