EasyManua.ls Logo

Airwell DAF009 - Page 94

Airwell DAF009
171 pages
Print Icon
To Next Page IconTo Next Page
To Next Page IconTo Next Page
To Previous Page IconTo Previous Page
To Previous Page IconTo Previous Page
Loading...
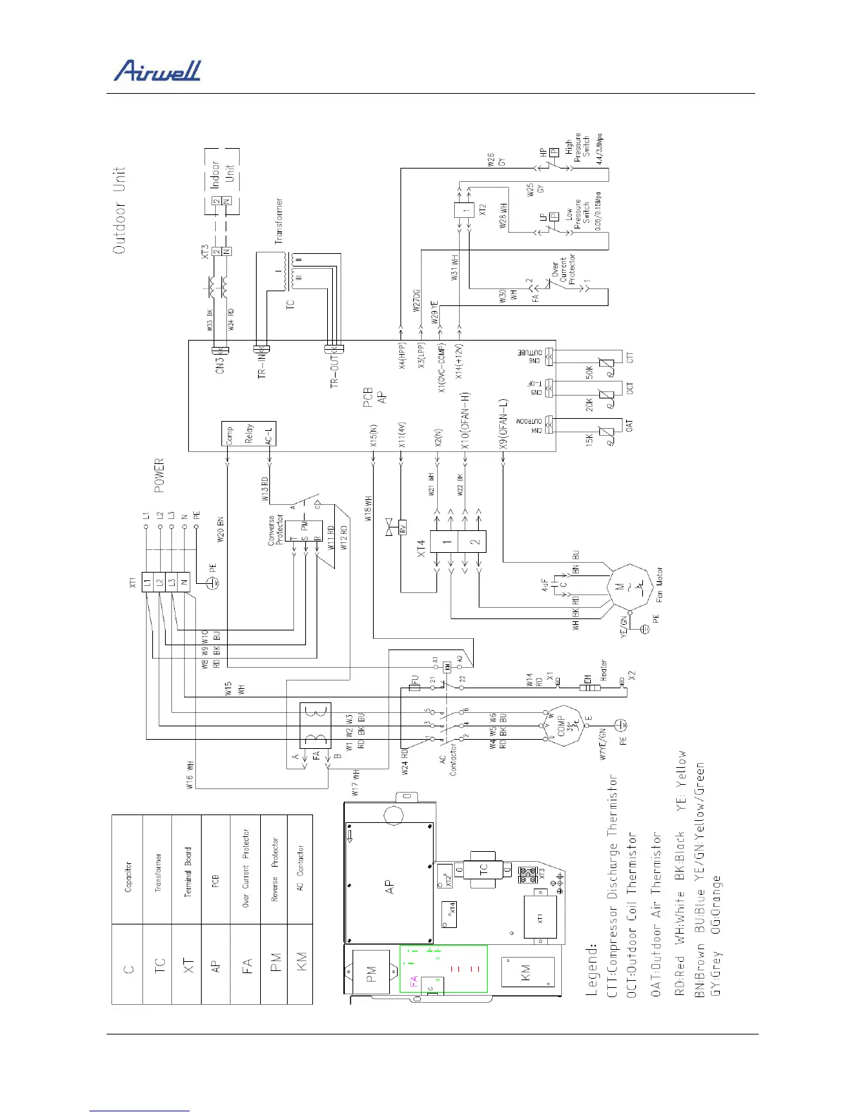
WIRING DIAGRAM
9.2.7 YIF036T
9-10 SM YIF 2-A.1 GB

Related product manuals