EasyManua.ls Logo

Akai GX-F71

Akai GX-F71
133 pages
To Next Page IconTo Next Page
To Next Page IconTo Next Page
To Previous Page IconTo Previous Page
To Previous Page IconTo Previous Page
Loading...
-
'
-
+B
2ovo I
IC
~gAGE
l,+_.:_14_:_;V:__
________________
_
l OFF/BIC
REC/PB
MICl
r-----~
DIN~
MIC/DIN
AMP
r--
@--@----®--1
I I
:
DOLBY-IC
I
I I
L-
- (J)(4)(14)-
-(24)-
_
.J
-----1
PB
MUTE
H·PAMP
LINE
REC/PB
HEAD
PB
EQ
AMP
A,T
MUTE
IOOKHz
FILTER
19KHz
FILTER
IPLS
--0
i
BIAS
ADJ
NORMAL
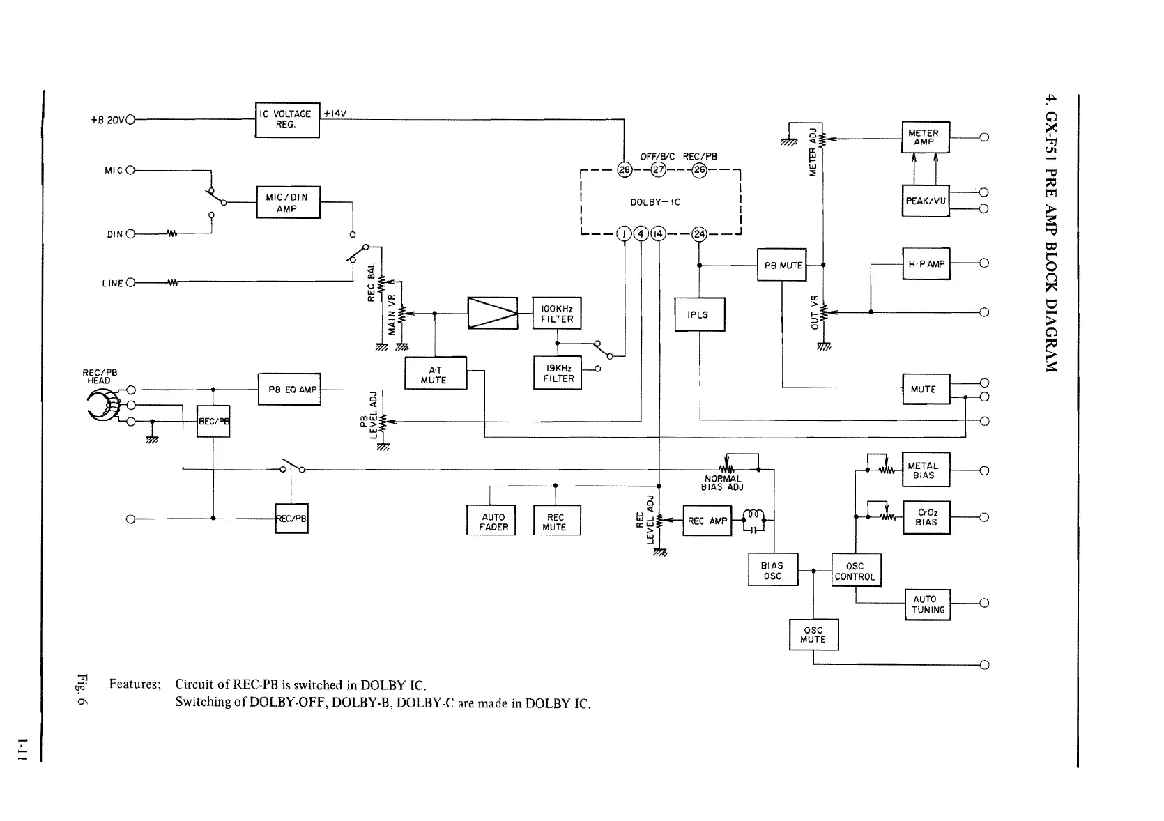
l Features; Circuit
of
REC-PB is switched in DOLBY IC.
AUTO
FADER
REC
MUTE
~
Switching
of
DOLBY-OFF, DOLBY-B, DOLBY-Care made in DOLBY IC.
--,
0
.,:
lrl...1
Q:
Lu
>
Lu
...J
REC
AMP
BIAS
osc
Q:
>
I-~""
0
::,
0
osc
MUTE
7.,,,
~
,-wN,--1
MET
AL
BIAS
osc
CONTROL
Cr02
BIAS
AUTO
TUNING
.i:,.
~
"?j
VI
-
..,,
s;
~
..,,
0::,
t'"'
0
('j
:;,::
IO
-
>
C,
i

Related product manuals