EasyManua.ls Logo

Akai GX-F71

Akai GX-F71
133 pages
To Next Page IconTo Next Page
To Next Page IconTo Next Page
To Previous Page IconTo Previous Page
To Previous Page IconTo Previous Page
Loading...
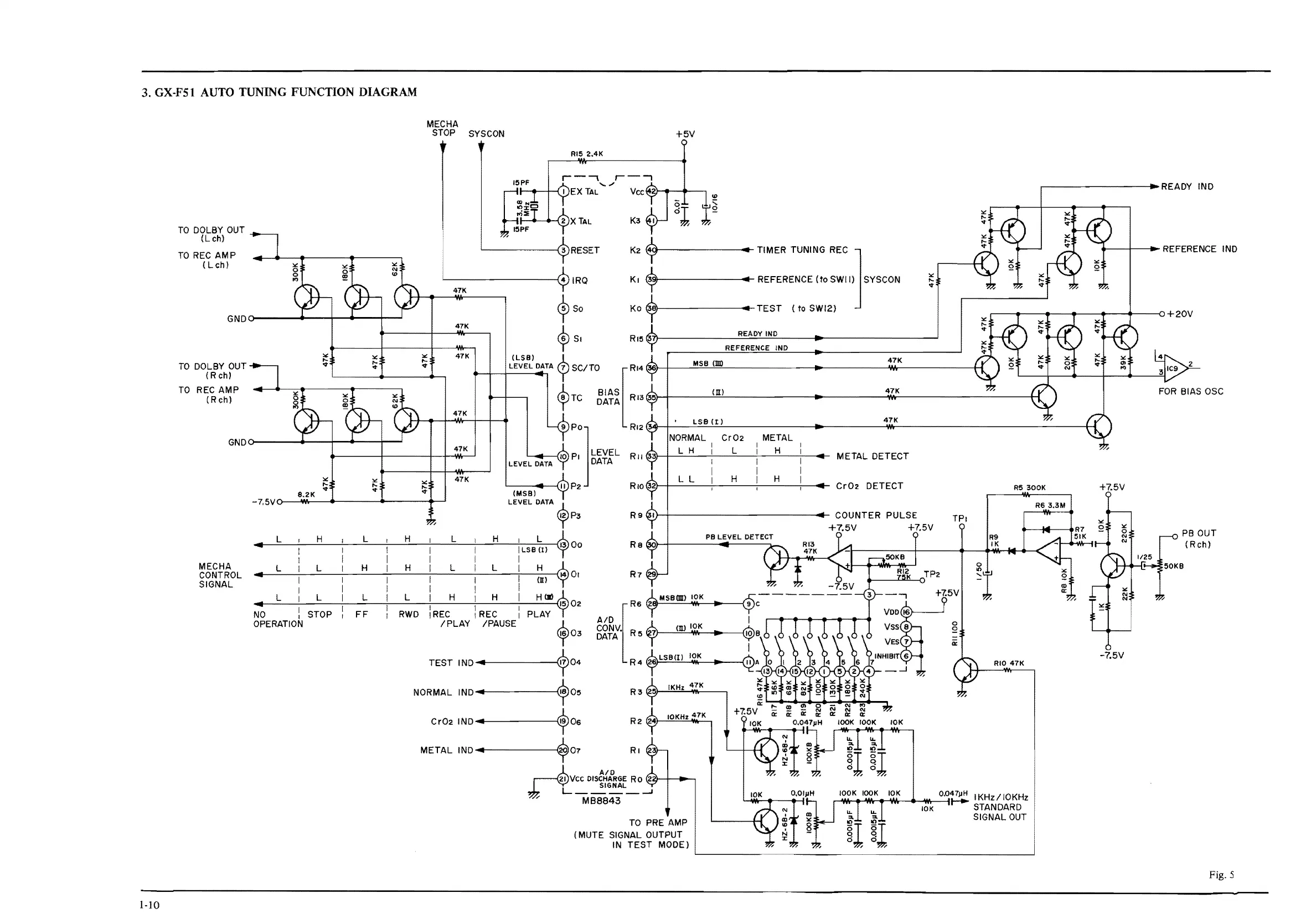
3. GX-FSl AUTO TUNING FUNCTION DIAGRAM
1-10
TO
DOLBY
OUT
(Leh)
TO
REC
AMP
(
Leh)
TO
DOLBY
OUT
{R
ch)
TO
REC
AMP
(Rehl
MECHA
CONTROL
SIGNAL
-7,5V
..
L
L
..
L
NO
8.2K
H
L
L
"
...
V
: STOP
OPERATION
L
H
L
FF
MECHA
STOP
SYSCON
+5V
Rl5
2.4K
~---------READY
IND
'--------------~
IRQ
~So
47K
~
SI
R
15
l'.'ITl-------___:R::_:E::::A:.:D:..:.Y...!.IN'.!cO~------------.....J
r'
REFERENCE
IND
47K
(LSB)
~
LEVEL
DATA
'r SC/TO [ Rl4
---1--~
~TC
BIAS Rl3
'f' DATA
__
,.._.......,.w,,...-+----,1---<t
LS
8 ( I l
MSB
(DD
47K
(ll)
47K
47K
c_..-.,_
'10
P1
LEVEL L H L H METAL DETECT
DATA
47K
9
Pol
R
121341
-+N-O_R_M....:A::...::..::Lc...:..=..:...C_r_0_2
__
M_E_T_A_L_--1...,...-----Y'lr-----------------i--.i
L L H H
P2
CrO2 DETECT
R5
300K
+7.5V
(MSB)
LEVEL
DATA
r1
tp3
H
H
L
1 H I L
~
I
ILSBUl
'yOo
I I
! L I H
~
I I (Ill
'y0
1
I I
H I H I
Htm
L
L
R7
RWD
I I I
15
02
1REC
1REC I PLAY
/ PLAY /PAUSE
$03
TEST
IND
•---------~04
NORMAL
IND
•t------~05
CrO2
IND
..
-------~Os
METAL
IND
•------$07
RI
r---dovcc
01s!~fRGE
Ro
2
J,,:
L.__~GNAL_....J
,
MB8843
TO
PRE
AMP
( MUTE SIGNAL OUTPUT
IN
TEST
MODE)
RS
3,3M
COUNTER PULSE TPi
+7.5V
TP2
----'-..W..-(1
...
~
+7.5V
I
...
~
I
-7.5V
...
IOOK IOOK
I0K
FOR
BIAS
OSC
f
PB
OUT
(Reh)
I/
KB
,
Fig. 5

Related product manuals