EasyManua.ls Logo

Akai GX-F71

Akai GX-F71
133 pages
To Next Page IconTo Next Page
To Next Page IconTo Next Page
To Previous Page IconTo Previous Page
To Previous Page IconTo Previous Page
Loading...
-
&.
'Tl
qo"
N
~
~
0
=
ti:,
g
:,;--
s:1
~
~
''I
''I
11
1
1
'
Ill/LILI
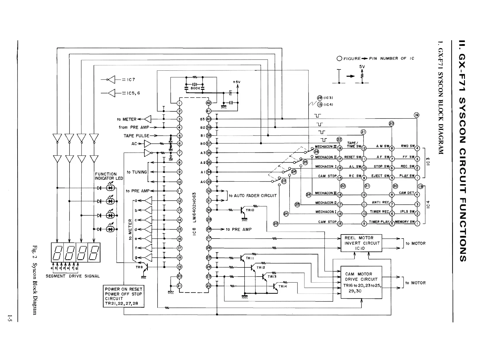
SEGMENT DRIVE SIGNAL
~=IC?
-<:J--=1c5,6
,o
TUNING[•
I i I
O::I
C
w
1-
w
:;;
POWER
ON
RESET
POWER
OFF
STOP
CIRCUIT
TR21
1
22
1
27
1
28
Kl
<D
0
:r:
C\I
0
'<t
<D
:;;
...J
(X)
u
ft
__
.:_
/ '
Q
FIGURE-
PIN
NUMBER
OF
IC
5V
J_
...
J_
@tlC3)
·V@11C4)
u
u
@)
@
Al~
I /
;:;_;.9@
r I
·••vv
..
-vv••
.(.!El)
~-
~-(lo)
-,,vr
""(6)
n<.v
""(
AO~
o>'
~
~]
to
AUTO
FADER
CIRCUIT
@I
m<evn,.vv""Q't)l-----!QI]
~,.,
.,_v(71------!
@•
,ovv.,~w••
-(
~
~to
PRE
AMP
@I
m,cun><vv"'•(i6)1------<(IO) ""'"""
""""{S)
ff'-"""(
@'
..,,.,,,
,,,v
...
(ie)
(0)
"m<.n
r'-'"(e)m
..
mvn,
.,
.. (
REEL
MOTOR C
INVERT
CIRCUIT ] to
MOTOR
ICIO
CAM MOTOR
DRIVE CIRCUIT
0:J
'--------l--l
TRl6
to
20,23to25,
to MOTOR
29,30
l'l'l
u
st
u
-
CJ
~
"!j
--.J
-
(ll
><:
(ll
('j
0
z
~
t""'
0
('j
Ii":::
0
-
>
0
:,::,
~
1=
G)
X
I
.,,
'-I
-II
en
-<
en
0
0
2
0
-
lJ
0
C
-
-t
.,,
C
2
0
-t
-
0
2
en

Related product manuals