EasyManua.ls Logo

Akai MX-550 - Page 53

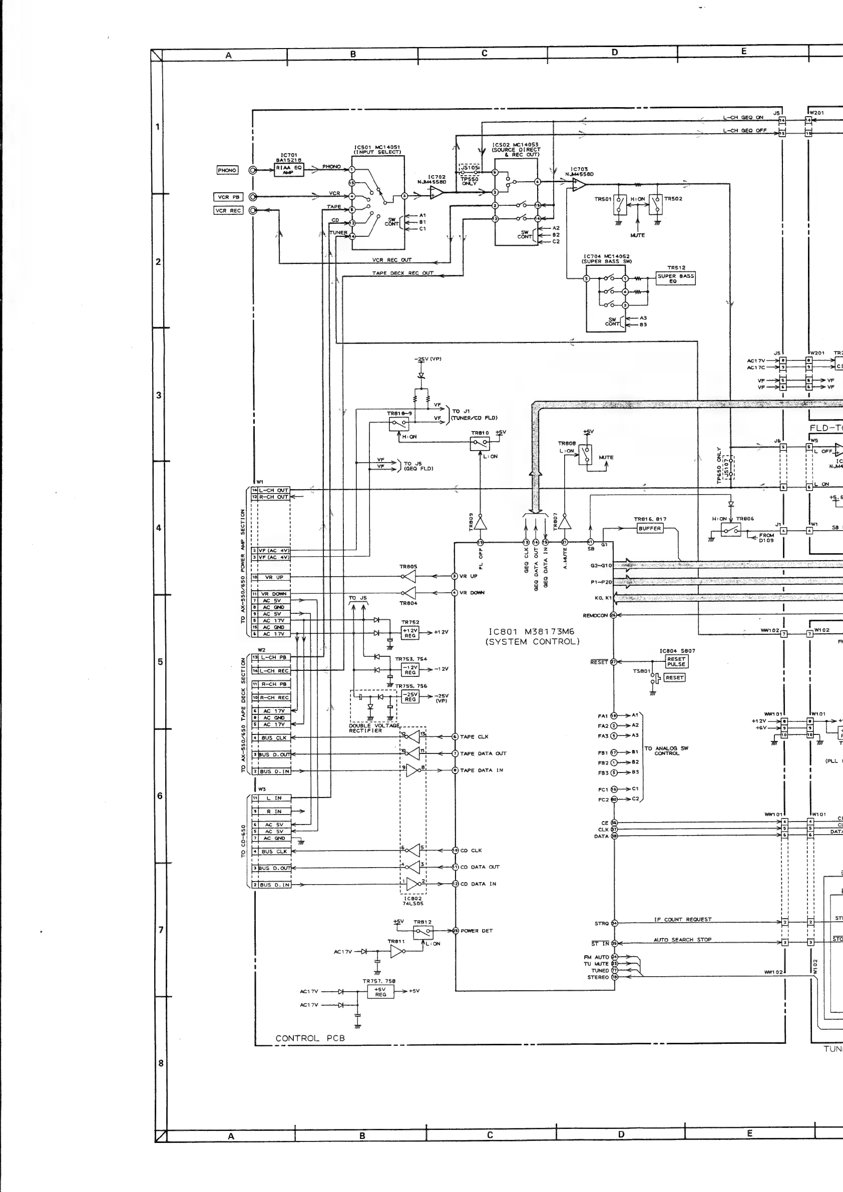
Akai MX-550
92 pages
Print Icon
To Next Page IconTo Next Page
To Next Page IconTo Next Page
To Previous Page IconTo Previous Page
To Previous Page IconTo Previous Page
Loading...
-—<
=.
+>
co
L-CH
GE@
ON.
bir
veo!
FE
eos
:
ame
;
=
L-CH
GEO
OFF.
\
=
=
hs]
iE
1€501_MC140S1
;
1C502
MC14053
SOURCE
DIRECT
iden
(INPUT
SELECT)
:
aay
aoe)
8A15218
OUT
6
ss
ssi
oe
|
NJM4556D
@
>
vse
C
TO
AX~550/650
POWER
AMP
SECTION
TO
AX-550/650
TAPE
DECK
SECTION
TO
CO-650
LE
OOS
OD
{C704
MC14052
(SUPER
BASS
SW)
To
v1
(TUNER/CD
FLD)
FLD-Tt
x
ry
Ens
>
rss
OFF.
Ate
1
tr
i
He
fTaxey)
m4
4
Ic
(GEQ@
FLD)
ote
:
H
,
!
NuM4
Oi4er
tt tt
wi
ai-ys
4
ia
i=
~
re
ig’
ON
[-s[L—CH
OUT
:
fa[
RCH
OUT}
yece
[2]VF
(Ac_4v))
sive
(ac
ee
Ee
AC
w2
|.
.
cere
J
ee
Dac
17]
.
[s[L-cH
REC
[i]
R-CH
PB
|
fol
R-CH_REC
|
[ef
ac
17v_|
[e[
Ac
GNo
|
[s[
ac
i7v_|
ieee
ae.
rt
ae
ee
1
1
7
TO
ANALOG
SW
ti
busp-ou7
|
@)
TAPE
DATA
OUT
FB1
@)—>81
CONTROL
ell
ee
ee)
rene
O
(®)
TAPE
DATA
IN
1
i}
i)
li
FROM
GEQ
cLK®
GEQ
DATA
out
@-—>—
&
TREO7
GEQ
DATA
IN@®
1C801
M38173M6
w102
(SYSTEM
CONTROL)
A
1c804
S807
RESET
@)
PULSE
TSs801
ofp
[Rese
17Vv.
(+)
FA1
(8)
Al
ww101
W101
FA2
@)>—>
A2
lowe
ewe
ee we
-
DOUBLE
VOLTAGE,
.----
-
RECTIFIER
r
1
(PLL
|
n
oa
w
a
ww
ct
je]
Ac
Sv
ee
ee
cl
aS
GC
eg
ee
ee
Oe
[7[
Ac
“eno
_|
DATA
G2)
[s}-
—5]
tt
oa
[+[
Bus
CLK
Soc
Bt
(8)cD
CLK
i
wi
te
1
i
1
'
t
1
[sus
0.007}
Bo
€)cD
DATA
OUT
ae
x
HN
a!
apy
act
[2feus_o.IN
14)
S03}
{2)cbD
DATA
IN
'
1
Ue
a
,
:
'
wet
F
Icea2
'
:
:
:
74LS0S
tt
tt
it
to
it
at
F
+
!
Lot
STi
+pV
ss
TRB12
sTRO
64)
IF
_
COUNT
REQUES
a
ra]
ro]
°
€s)
POWER
DET
TRE11
L:ON
sa
AUTO
SEARCH
STOP
ACI7V
Oy
|
1
FM
AUTO
@5)
:
He
sean
>
8
Pils
Carma!
ww
02
5
TR757.
758
EREO
+5V
“_
ser
—p
sv
|
Ac17V
D
|
t
CONTROL
PCB
--—
AS
LF
TUN

Related product manuals