EasyManua.ls Logo

Akai MX-550 - Page 77

Akai MX-550
92 pages
Print Icon
To Next Page IconTo Next Page
To Next Page IconTo Next Page
To Previous Page IconTo Previous Page
To Previous Page IconTo Previous Page
Loading...
weos
wba?
—_——_
C)
=
pha
RIOT
C104
Tare
Roh
Bo
7
=
470K
180P
(SL)
re
oe
ene
Lat
re
Len
|
vaso
ele
ocr
Op—aBaNs
Leh
c104
FLI01
TAPE
1
TAPE
I
390P
(SL)
Reh
RIWZ
100Z—-121
Be
5.6K
vn
c
LeveL
it
Thins
TRIOS
TRIO4
OTCI43TS
OTC1I43TS
22710
4)
c108
60.001
(kK)
R285
10K
R103
B2K<
c161
(t
80.001
(K)
R153
82K
C182
22710
cise
R161 100K
TAPE
I
REC/PB.E
HEAD)
oh
302
CINE IN
Loh
TAPE1
GAK~-9301
corte)
v6S1
(6)
TRAOS
AY
01944
(v1,
J2,
K)
{rt
me
me
vases
|
.Gh2%ay
nase
=D,
a]
040
(D,
€)
6.2K
ERIS
rans
|
aug
re
(i
0
ae
Cyeta
BLAY
1e5!pTHo2
|
D
x
Le;
ms
x
=
aS.
3
8
¢
:
eeag
ots
LE
oe
e
4
oo
$
253
a
--
t
Pe
a
vu
TAPE2
GAK—9601
gf)
ts
reccca
100P
(SL)
c360
4470P
X2
REC
PEAK
i
ag
<:
FL3S
i
:
ol
&:
Y400D.
8)
yooz—121
|
RB6E
TAPE
§
#VRES1~654
HIGH
SPEED
VO@K4—11
(1S)
0.
TW)
ADU
TAPE
[
HIGH
SPEED
Tf
foe
ee
netlie
r
i
Ht)
|
[|
BEET-on
OS)
S-@-@-O
v
gy
Bs
B
Yo Bo
Be
We
wy
o
8
3%
2%
3S 8S
aS
OS
a
OG
ge
Corce
eee
cee.
ees
SS
yyr
gree
thal
ww
39
gy
~
S
xO
re
>
&
>
wn
nN
RS
bs
|
&
|
“|
z
zg
3
giggddii
z
je
ww
wy
Ww
wy
Vv
vw
0
Gy
Se
v2
St
ae
Se
22
82 ue
8
O-O-D-O-—-O-@--O--@--)
Ni
o
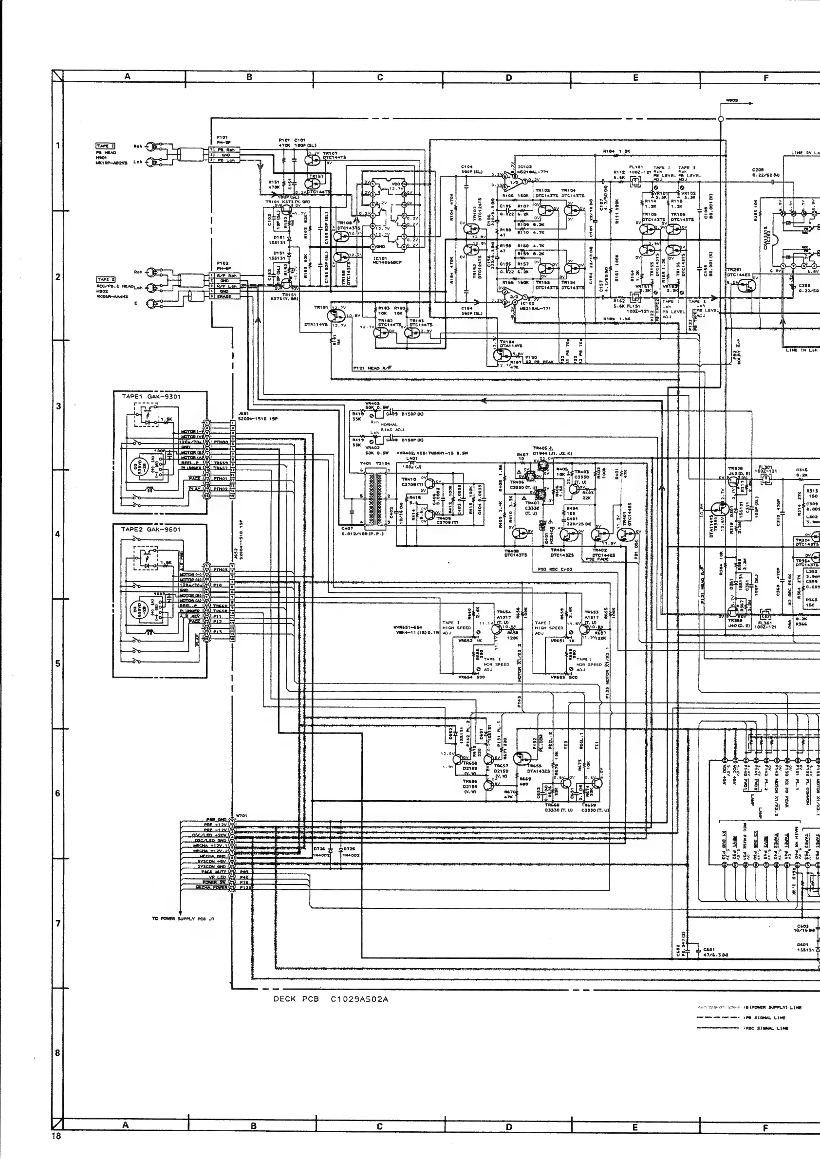
DECK
PCB
C1029A502A
at
mR
Uae
1B
(POWER
SUPPLY)
LINE
a
an
won
mee
ees
63
PB
SIGNAL
LINE
encmrcnmemmmeneane
REC
SIGNAL
LINE

Related product manuals