EasyManua.ls Logo

Akai TX-500 - Page 40

Akai TX-500
82 pages
Print Icon
To Next Page IconTo Next Page
To Next Page IconTo Next Page
To Previous Page IconTo Previous Page
To Previous Page IconTo Previous Page
Loading...
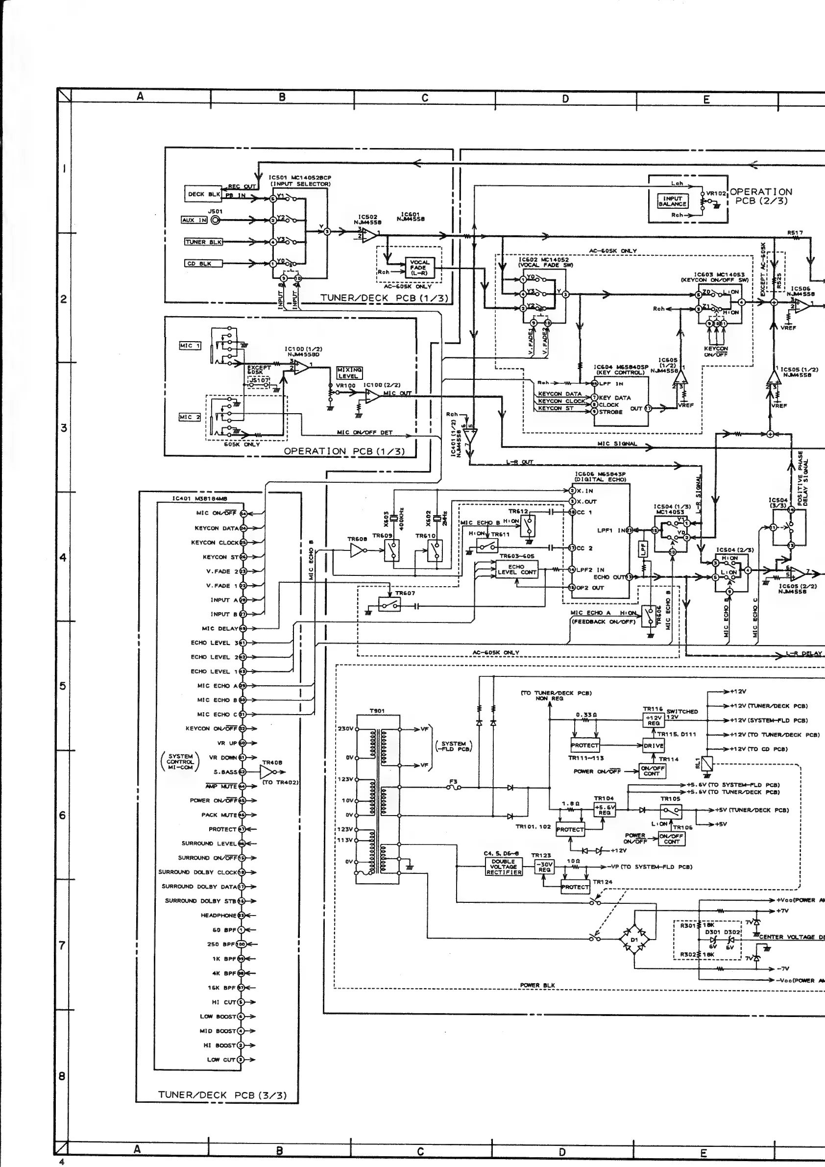
1¢501
MC14052BCP
(INPUT
SELECTOR)
I
beh
O
vrioz,3
OPERAT
I
ON
!
o5
|
PCB
(2/3)
I
©
Rech
|
RS17
OUT
KKEYCON
ST
>
753
STROBE
2
oO
7
x
r
saiteu
nes,
Detents
ACTBOSK
OMY
weeeeen
BP
'
1C602
MC14052
i
diab
t
i
(VOCAL_FADE
SW)
a
i?
H
Ic603
Mc14053
1
bi
fwt
(3)
ee
el
orresrmcaea
(KEYCON
ON/OFF
SW)!
G1
Si!
q
AC-605K
ONLY
1
Qt
1@s
icsos
5
wi
NUM4558
2
TUNER/DECK
PCB
(1/3)
Fees
ment)
z
AS
oS
1
2>
-
1
sea:
'
1
t
VREF
1
+
H
16100
(172)
:
NUM4558D
1c605
z
aTXIKE
1c606
MesBAOSP
4
inch)
i
1
esos
(472)
LEVEL
/\
\
®
vrioo
16100
(272)
P|
Reh
!
j
>
KEYCON
DATA
3,
6y
paTA
:
CLOCK
VREF
|
VREF
'
1
1
1
i
Meee
ee
fn
So
oars
devecsouros:
seeeSeca
SeSsaseses
dea
—wm
oy
MIC
SIGNAL
OPERATION
PCB
(173)
23
g
#4
1C606
M6S843P
wd
(OIGITAL
ECHO)
3a
F>
ss
a5
1¢401
M368184MB8
23
16504
(173)
69
MIC
ON/OFF
§¢
MC14053
KEYCON
DATA’
KEYCON
CLOCK
o
5
=
1C605
(2/2)
NUM4558
AC-60SK
ONLY
(TO
TUNER/DECK
PcB)
aN.
NON
REG
+12V
(TUNER/DECK
PCB)
TRI16
switcHEep
0.3390
i
+12V
|
12V
+12V
(SYSTEM-FLD
PCB)
re
A’
REG
TR115,
01114
+12V
(TO
TUNER/DECK
PCB)
)
pRorecr]
DRINE
+12V
(TO
¢D
PCB)
TRI11~113
TRI14
5
\
VE
fearon]
Z1\
ed
ee ee
n
TR408
poe
POWER
ON/OFF
i)
t
(TO
TR402)
'
F3
+5.6V
(TO
SYSTEM-FLD
PCB)
,
eS
v
+5.6V
(TO
TUNER/DECK
PCB)
TR104
TR105
1.82
ee
D
FNS
+5V
(TUNER/DECK
PCB)
—t
TR101,
102
prorect]
cron
rev.
POWER
O
me
ov
TR1O6
owrore
>
Rar
|
-O
+12V
Pry
ny
w
<
SURROUND
LEVEL
66)
c4,
5S,
DE~8
TR123
DOUBLE
102
mh
VOLTAGE
~30V
-VP
(TO
SYSTEM-FLD
PCB)
RECTIFIER
REG
ae
protect]
"a"
?
SURROUND
ON/OFF
65)
ov
SURROUND
DOLBY
CLOCK(¢®)
ew
mew
wwe
ew me
een
meee
wee
SURROUND
DOLBY
DATAG?)
SURROUND
DOLBY
STB«®)
|
TUNER/DECK
PCB
(3/3)
2
ee
es oe

Related product manuals