EasyManua.ls Logo

Akai TX-500 - Page 41

Akai TX-500
82 pages
Print Icon
To Next Page IconTo Next Page
To Next Page IconTo Next Page
To Previous Page IconTo Previous Page
To Previous Page IconTo Previous Page
Loading...
SYSTEM-FLD
PCB
OPERATION
PCB
(3/73)
1¢503
MC14053
(1/3)
Mic
MIX:
(renee
ens
Leeceenes:
EXCEPT
AC-605K
+R525
16K
BPF
'
TO
Roh
GEQ
CIRCUIT
4
1
|
a
H
TR701~705
|
a:
VREF
1
GEQ
t
CONTROL]
2,
1
OUTPUT
Sw
22888
1¢702%
1
1¢505
(172)
eegoe*
(272)
16702
(172)
H
/\
NuM4558
1
ae,
1¢703,
704
TR706~710
'
¢
!
ie}
!
SS
Snow
Teao1
'
Lob
ins,¢],
1
VREF
TUNER/DECK
PCB
=CK_
PCB
(2/73
y
pt
Reh
IN
ut):
eas
waeuwae
ei
>
16503
(273)
Soo
@
!
TFB
oo
x
x
'
one
¢
1
N
41
1
I-amMep
-vcc
TO
Roh
REC
OUT
il
to
13
-
POSITIVE
PHASE
DELAY
SIGNAL
OVER
CURR
DETECT
TR315,
R312
1C605
(2/72)
NUM4558
OVER
CURR|
TR314,
R311
PROTECT
DET
(To
1¢401.6))
ER/DECK
PCB)
STEM-FLD
PCB)
10403
Tcs299P
(ELECTRIC
VOLUME)
10402
LA7230
10401
(272)
NUM455B8
(DBYFFER
ENCODE
()
[
a
16201
(3/3)
(2/2)
TRA00
POWER
Awe)
5
>
rsp
>?
H
SURROUND
BY
BUTYPE
NV
VREF
|
‘Lea!
ac
SPEAKER
;
MAIN
VR
PCB
>t
>
g
2
x
inane
(272)
es
Be
8
ran
7H
33
sk
&p
SURROUND
°
Lua
ad
vu,
ON/OFF
FROM
16401
com
neccne
TR442
TR441
SURROUND
rm
LEVEL
DET
cs
jane
|
MAIN
PCB
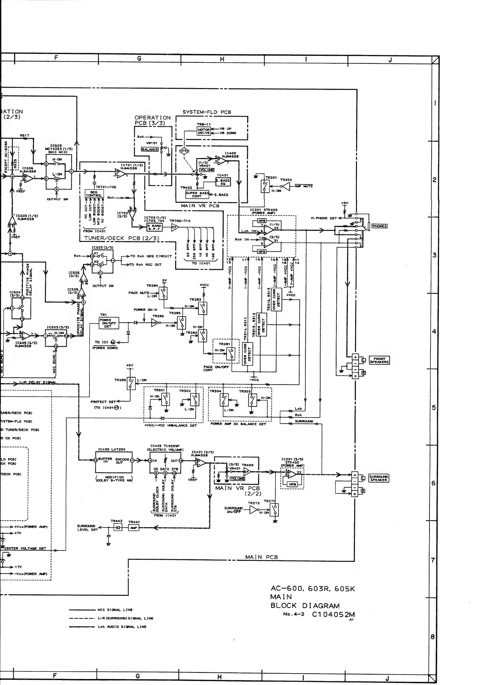
AC-—600,
603R,
605K
MAIN
BLOCK
DIAGRAM
0-4-2
C1
04052M
—eneens
MIC
SIGNAL
LINE
ee
eves
LR
(SURROUND)
SIGNAL
LINE
memes
Loh
AUDIO
SIGNAL
LINE
FRONT
|
SPEAKERS

Related product manuals