EasyManua.ls Logo

Alfa Plam COMMO COMPACT 32 - Boiler Control System; Electrical Circuit Diagram; Control Panel (Display) - Keys and Functions

Alfa Plam COMMO COMPACT 32
32 pages
Print Icon
To Next Page IconTo Next Page
To Next Page IconTo Next Page
To Previous Page IconTo Previous Page
To Previous Page IconTo Previous Page
Loading...
14
The pellet must conform to DIN 51731, DIN plus, Ö-Norm M-7135 or other comparable European standards.
THE PELLET MUST NOT BE KEPT NEAR THE BOILER . Keep them at least half a metre away from the boiler .
When handling pellets, make sure that pellets do not spill.
If you pour the sawdust into the pellet tank, you may block the pellet loading system.
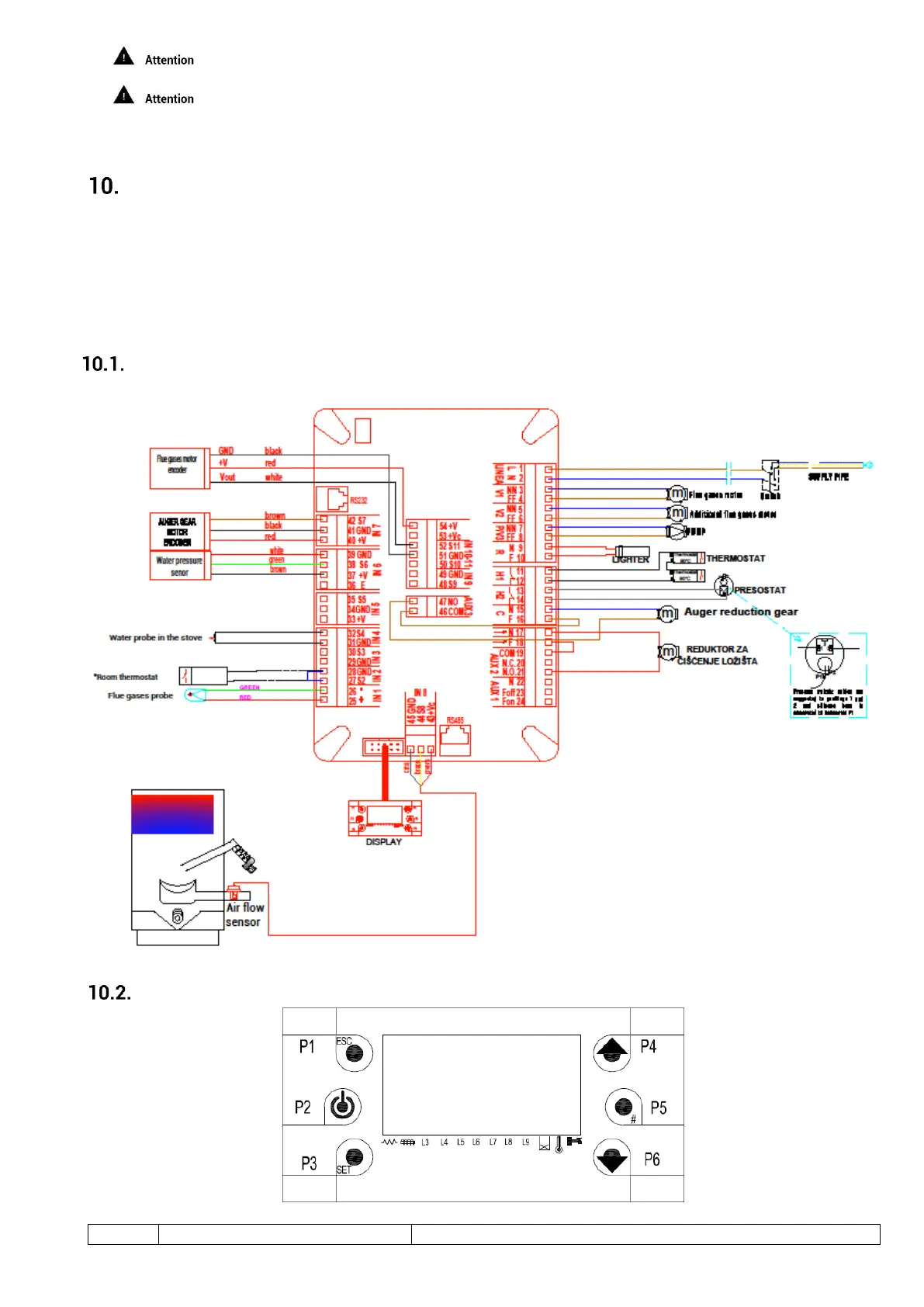
BOILER CONTROL SYSTEM
The boiler has an advanced control system that allows safe, efficient and reliable operation control and maximum functional
utilization of the boiler .
It is characterized by:
Easy to set up and use,
Simple and direct user functions,
Reliable and flexible functional software specially developed for pellet boiler s,
Advanced features available for installers to adapt different configurations and installations.
Electrical Circuit Diagram
Control Panel (Display) Keys and Functions
Keys:
Key
Function
Description

Table of Contents