EasyManua.ls Logo

Alinco DX-70 - MB87086 A (XA0297) PLL Frequency Synthesizer

Alinco DX-70
116 pages
Print Icon
To Next Page IconTo Next Page
To Next Page IconTo Next Page
To Previous Page IconTo Previous Page
To Previous Page IconTo Previous Page
Loading...
CD
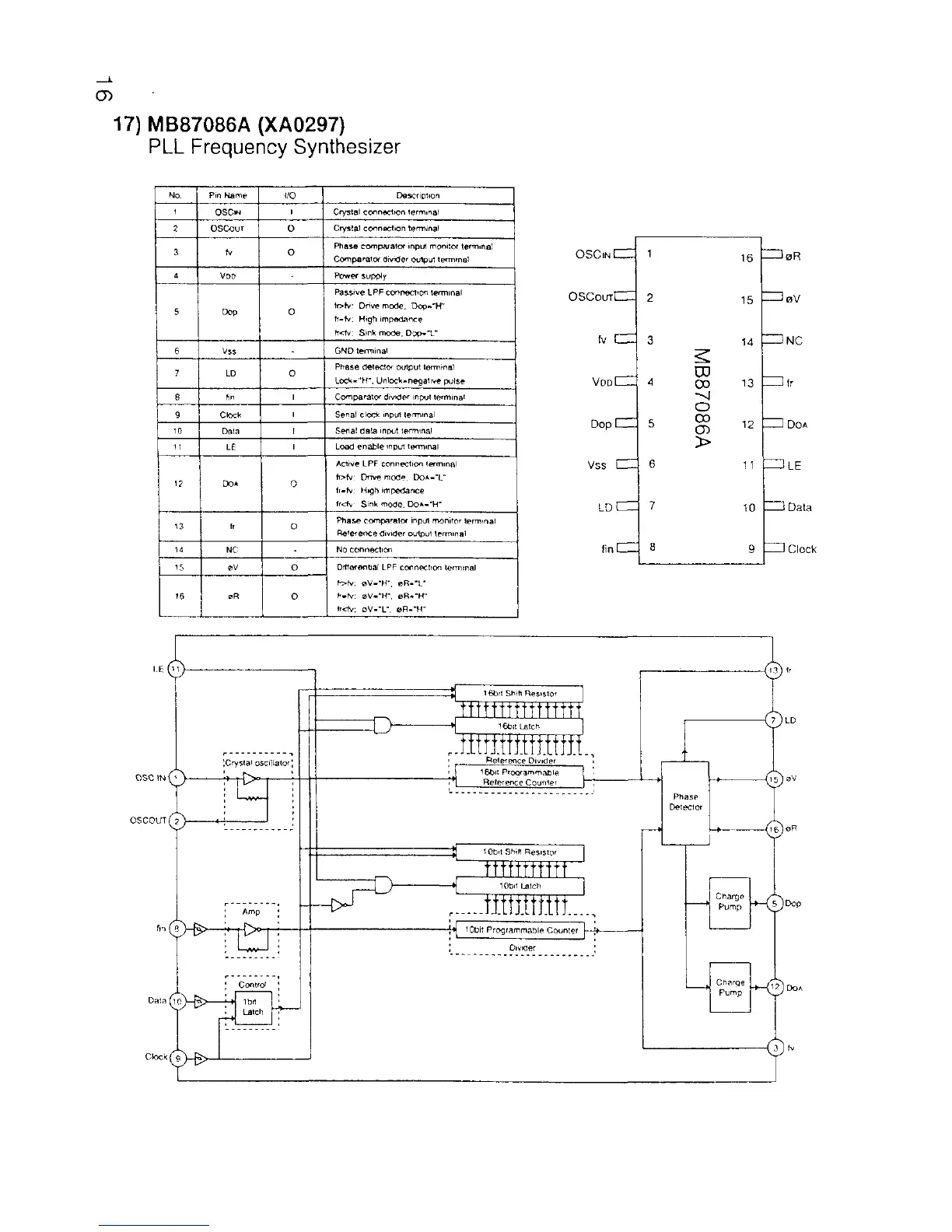
17) MB87086A (XA0297)
PLL Frequency Synthesizer
Crystal oscillator
{>-
Amp
H >
©-&> i-* it,
No. Pin Name
I/O
Description
1 OSC*n 1
Crystal connection terminal
2
OSCout
O Crystal connection terrnma1
3 fv o
Phase comparator input monitor terminal
Comparator drvxJer output terminal
4
Vdd Power supply
s Dop 0
Passive LPF connection terminal
tr>V Drive mode. Dop»'H"
fr-tv: High impedance
fr<tv: Sink moOe, Dop-'L"
6 Vss
GND terminal
7 LD o
Phase detect ex output terminal
locW H ', Uniock.negative pulse
8
fin
1 Comparator divider input termina1
Clock
Senal clock input terminal
10
Data 1
Senal data input lerminai
11
L£
1
Load enable inpcrt tormina I
1? Do*
0
Aclive LPF connection terminal
tr>fv Dnve mode, Do*-'L
frtv: High impedance
fr<tv Sink mode. D o »- H"
13
*
o
Phase comparator input monitor terminal
Reerence divider oirtput terminal
14
NC
No connection
15
bv
o
Orfterential LPF connection terminal
16
bR
o
f*>fv. bR » L’
bV- H', eR*"H"
tr<tv: oV-"L\ ®R»H"
O S C o u tL Z Z
= D -
T f t t t t t t t t t t t t t t
16bit Latch I
i i t t i t t t t t i i t t i t .
Reference Divider
T T T f t f tt tt t
+j lObit uaich j
i l l f f i L .
*| 10pt! Programmable Counter }-
Charge
Charqe
Pump
-( F ) Dcp
Doa
& h