EasyManua.ls Logo

Alinco DX-70 - MB87014 A (XA0298) PLL Frequency Synthesizer

Alinco DX-70
116 pages
Print Icon
To Next Page IconTo Next Page
To Next Page IconTo Next Page
To Previous Page IconTo Previous Page
To Previous Page IconTo Previous Page
Loading...
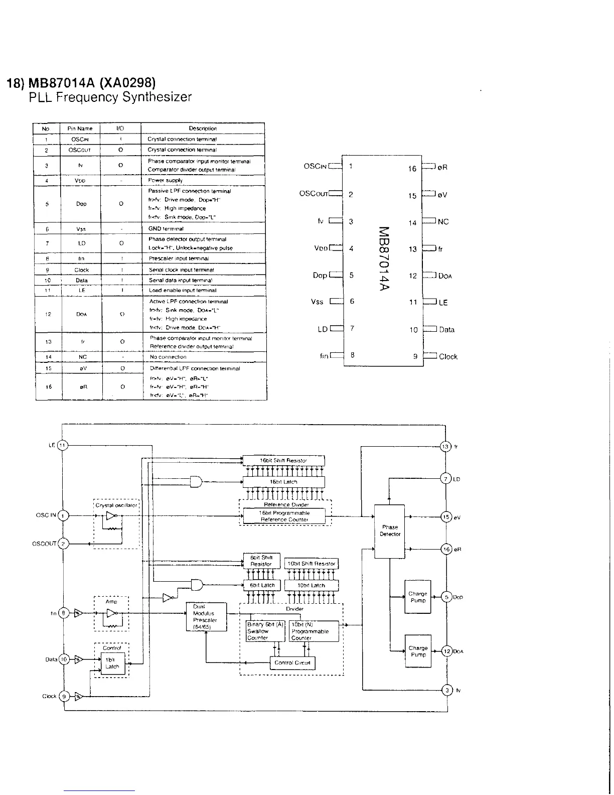
18) MB87014A (XA0298)
PLL Frequency Synthesizer
NO
Pin Name I/O Descnption
1
OSC'N
1
Crystal connection terminal
2
OSCout o
Crystal connection terminal
3
N
o
Phase comparator input monitor terminal
Comparator divider output terminal
4 Vdd
Power supply
5
Dop
0
Passive LPF connection terminal
fr>fv: Dnve mode. Dop«'H'"
fr-fv: High impedance
!r<tv Sink mode. Oop-"L"
Vss
GND terminal
ID 0
Phase detector output terminal
Lock»"HUniock«negative pulse
fin Prescaler input terminal
9
Clock Senal clock input terminal
10 Data Senal data input terminal
LE
1
Load enable input terminal
12 Do*
o
Active LPF connection terminal
1r>fv; Sink mode. Doa-'L
fr»tv High impedance
fr<tv. Dnve mode.
13 0
Phase COmparalOr input monitor terminal
Reference divider output terminal
14
NC No connection
15 0V
0 Differentia! LPF connection terminal
16
0R 0
lr>fv. eV -'H". aR«"L"
tr-tv eV.-H", bR .-H
tr<tv. b FU'H"
OSCoutCZZ
1
16
2
15
3
CD
14
4
00
o
13
5
-C*
>
12
G
11
7
10
8
9

Other manuals for Alinco DX-70

Related product manuals