EasyManua.ls Logo

Alinking ALC-9751 - External Alarm I;O Circuit Diagram; Alarm Wiring Warnings

Alinking ALC-9751
75 pages
Print Icon
To Next Page IconTo Next Page
To Next Page IconTo Next Page
To Previous Page IconTo Previous Page
To Previous Page IconTo Previous Page
Loading...
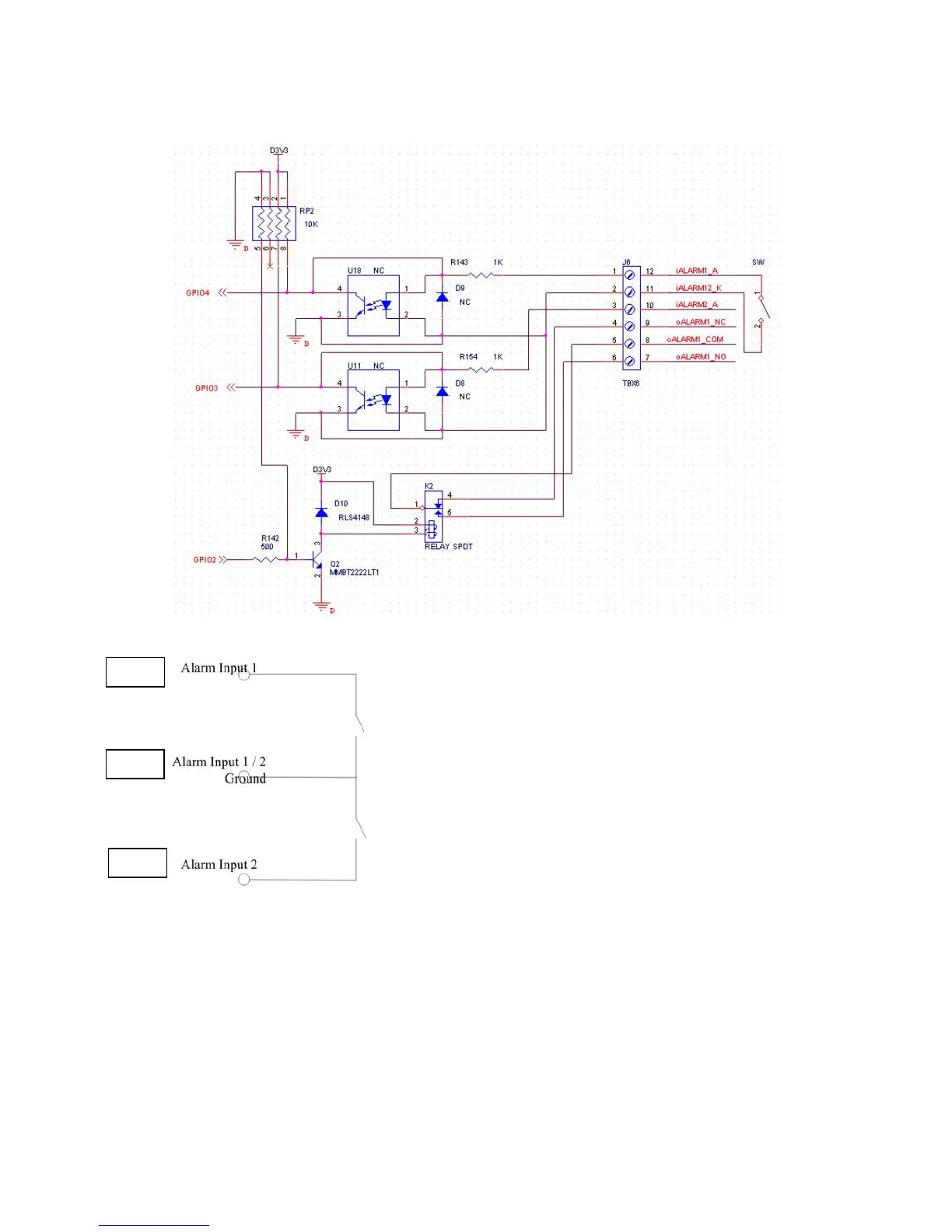
External Alarm I/O Circuit Diagram
Pin 1
Warning! The alarm will be triggered when alarm
pin 1 & 2 are formed as a short circuit. Please do not
connect the electric voltage or current into alarm input
pin for the electronic current might burn the product.
Pin 2
Warning! The alarm will be triggered when alarm
pin 2 & 3 are formed as a short circuit. Please do not
connect the electric voltage or current into alarm input
pin for the electronic current might burn the product.
Pin 3
Warning!
Where connecting of a low or high current loop to the external alarm input/output of the
product is required, the wiring and connection shall be conducted by a qualified electrician.
Incorrect wiring may bring about damage to the product fatal electric shock.
Direct connection of the external alarm input/output terminal to high-current equipment is
not allowed and a customized repeat circuit might be required (provided by the customer)
for some cases to isolate the terminal and the high-current equipment. Where the
voltage/current of an external device exceeds the loading capability (5V) of the Alarm I/O,
the product would be damaged seriously.
70