EasyManua.ls Logo

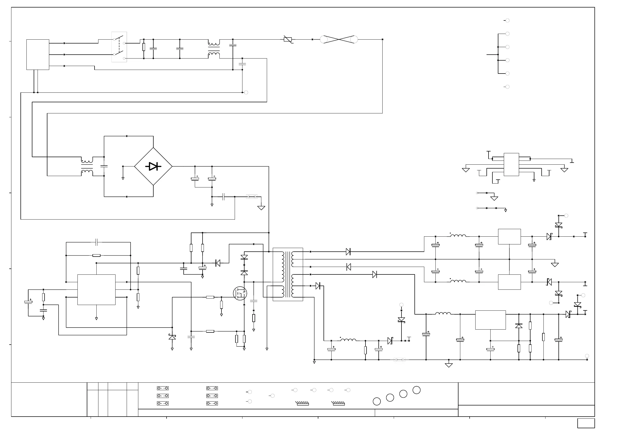
ALLEN & HEATH 14:4:2 MixWizard WZ3 - PSU PCB Schematic; Power Supply Circuit Components; Power Rails and Connectors

ALLEN & HEATH 14:4:2 MixWizard WZ3
78 pages
Print Icon
To Next Page IconTo Next Page
To Next Page IconTo Next Page
To Previous Page IconTo Previous Page
To Previous Page IconTo Previous Page
Loading...
Kernick Industrial Estate,
Penryn, Cornwall,
England. TR10 9LU
+44 (0)8707 556250
+44 (0)8707 556251
3
WZ³ PSU
C5395 1 1
PAGE:
TITLE:
DRG No: ISSUE: SHEET: OF
ISSUE BY DATE
FILE: C5395_3.Sch 14:44:33 20-Aug-2004
ALLEN&HEATH
Tel:
Fax:
PRINTED:
ABCDEFGH
a
b
c
d
e
CHK
BY
2
3
1
4
SW1
R6
150K 1W
C11
10/50
L_GND
L_GND L_GND
L_GND
L_GND
L_GND
L_GND
L_GND
14
2 3
BR1
2KBP206
1
2 4
3
L2
CHOKE 20MH
C10
2N2 250V/PEM
C2
100N 275V
L_GND
L_GND
P1
PIN
C18
470/25 LESR
C20
470/25 LESR
C17 470/25 LESR
C19
470/25 LESR
L3
4.7uH
L5
4.7uH
C22
100/25
C23
100/25
T500mA
NTC1
INRUSH SUPP NTC20R
1 2
F1
FUSE HOLDER 20MM
Vin
3
ADJ
1
Vout
2
U2
TL783
C21
470/25 LESR
C25
47/50 LESR
C26
47/63
L6
CHOKE 150UH 280MA
C28
1/63
R1
1M2 1/2W
JP1
LINK OPT
DGND
2 IMcB 8/4/04
C27
47/63
Vin
1
GND
2
+15V
3
U3
7815
Vin
2
GND
1
-15V
3
U4
7915
Q1
STP4NB80FP
C31
2N2 250V/PEM
C30
2N2 250V/PEM
1
2 4
3
L8
CHOKE 20MH
FH1
HOLE-FIXING 3.5MM+PAD
FH2
HOLE-FIXING 3.5MM+PAD
FH3
HOLE-FIXING 3.5MM+PAD
FH4
HOLE-FIXING 3.5MM+PAD
JP2
LINK OPT
+15V
-15V
+48V
+10V
DGND
+10V
-15V
+15V
+10V
+48V
FH5
HOLE-FIXING 3.5MM
Earth
L_GND
L_GND
L7
CHOKE 4.7UH (AM3567)
ISEN
3
VFB
2
COMP
1
OUT
6
VREF
8
RT/CT
4
VCC
7
GND
5
U1
UC3842AN
R3
150K
R2
12K 1%
R4
20K 1%
R5
3K3 1%
R7
22R
R8
100K
R10
1K0
R16
680R
R9
180R
R13
12K 1%
R14
15K
D2
BYV27-400
D4
BYV27-400
D7
BYV27-400
D3
BYV27-400
D1
BYV26E
C1
47PF 1KV/MLC
C24
330P/DISK
C14
100N 100V/MLC
C13
150P/DISK
D9
1N5819
D8
1N4002
3 IMcB 11/6/04
R17
6K8
C3
100N 275V/PEM
C29
100N 275V/PEM
1
1
2
2
3
3
4
4
5
5
6
6
7
7
8
8
9
9
10
10
CN2
BOX 5X2 M STRT
D11
1N5819
D12
1N5819
D10
1N5819
D13
1N5819
D16
1N5819
D17
1N5819
D14
1N5819
D151N5819
E
3
N
2
L
1
IEC
MAINS
INLET
4
4
5
5
CN1
IEC MAINS INLET
Earth
Earth
C IMcB 5/12/03
D IMcB 9/1/04
E IMcB 19/1/04
FH6
HOLE-FIXING 3.5MM
R18
4K7
C12
2N2/MYL
LK1 LINK TCW
LK2 LINK TCW
LK3 LINK TCW
LK4 LINK TCW
LK5 LINK TCW
LK6 LINK TCW
F
TP1
IMcB
TP2
17/2/04
TP3
TP4
TP5
TP6
TP7
TP8
TP9
TP10
TP11
TP12
TP13
TP14
TP15
TP16
TP17
TP18
TP19
TP20
TP21
TP22
TP23
TP24
TP25
TP26 TP27
TP28
TP29
TP30
TP31
TP32
DGND
TP33
TP34
TP35
TP36
TP37
TP38
TP39 TP40
TP41
TP42
TP43
TP44TP45
TP46
TP47
TP48
TP49
TP50
TP51
TP52
TP53
TP54
TP55
TP56
TP57
TP58
ATE1
HOLE-ATE
ATE2
HOLE-ATE
ATE3
HOLE-ATE
1 AAT 24/2/04
HS1
HEATSINK (AA5487)
HS2
HEATSINK (AA5675)
SCREW1
SCREW M3X6 PAN TORX BK
SCREW2
SCREW M3X6 PAN TORX BK
SCREW3
SCREW M3X6 PAN TORX BK
SCREW4
SCREW M3X6 PAN TORX BK
AIP1
HOLE-AI
AIP2
HOLE-AI
AIP3
HOLE-AI
AIP4
HOLE-AI
C6
68/400
C7
68/400
1
2
3
5 8
9
10
11
12
7
PRIMARY
BIAS
TX1
XFRMR E/30/15/7A (UNI) (AM5547)
D5
P6KE200A
D6
BYV26E
C15
120/63 LESR
C16
120/63 LESR
P3
Pink
Green
Blue
Violet
Red
R11
0R5 1W
R12
0R5 1W
R19
150K 1W
P4
P5
P6
P2
003-171 iss.3

Related product manuals