EasyManua.ls Logo

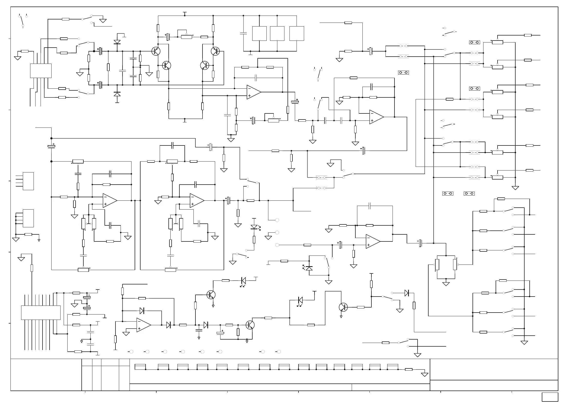
ALLEN & HEATH 14:4:2 MixWizard WZ3 - Mono Input PCB Schematic; Mono Input Circuitry; Component Designations and Settings

ALLEN & HEATH 14:4:2 MixWizard WZ3
78 pages
Print Icon
To Next Page IconTo Next Page
To Next Page IconTo Next Page
To Previous Page IconTo Previous Page
To Previous Page IconTo Previous Page
Loading...
Kernick Industrial Estate,
Penryn, Cornwall,
England. TR10 9LU
+44 (0)8707 556250
+44 (0)8707 556251
2
WZ³14:4:2 MONO INPUT
C5400 1 1
PAGE:
TITLE:
DRG No: ISSUE: SHEET: OF
ISSUE BY DATE
FILE: C5400_2 WZ3-1442-20S-464.Sch 14:55:39 20-Aug-2004
ALLEN&HEATH
Tel:
Fax:
PRINTED:
ABCDEFGH
a
b
c
d
e
CHK
BY
R25
4K7 1% 0805 MELF
R26
4K7 1% 0805 MELF
R2
68R 0805
R55
1K2 1% 0805 MELF
R56
1K2 1% 0805 MELF
Q3
BC848B
Q4
BC848B
1 6
4
VR1A
POT14 5KRD X2
C14
330/10
+VA
-VA
3
2
1
U1A
TL072D SMD
5
6
7
U1B
TL072D SMD
V-
4
V+
8
U1C
TL072D SMD
R21
2K2 1% 0805
R22
2K2 1% 0805
R23
2K2 1% 0805
R24
2K2 1% 0805
C26
100/6.3
2 5
3
VR1B
POT14 5KRD X2
8
9
BRKT
VR1C
POT14 5KRD X2
R29
270R 0805
C18 33P 0805
C20
33P 0805
2
1
3
SW2A
SW2PCOL (SPUN)
5
4
6
SW2B
SW2PCOL (SPUN)
R33
22K 1% 0805
R40
10K 1% 0805
C27
47N 0805
C28
47N 0805
C19 33P 0805
R44
1K2 1% 0805
R60
2K7 0805
R32
47K 0805
R31
47K 0805
2
1
3
SW3A
SW2PCOL (SPUN)
5
4
6
SW3B
SW2PCOL (SPUN)
C1
47/25
C2
47/25
R12
47K 0805
R13
47K 0805
C11
1N0 0805
R20
1K8 0805
R6
8K2 1% 0805
R5
8K2 1% 0805
R10
47K 0805
R11
47K 0805
C7
47/25
48V
C22
1N5/MYL
C23
22P_S
R14
47K 0805
R15
47K 0805
R67
68K 1% 0805
3
2
1
U2A
TL072D SMD
5
6
7
U2B
TL072D SMD
R35
6K8 1% 0805
R36
6K8 1% 0805
R37
6K8 1% 0805
R38
6K8 1% 0805
C31
1N5/MYL
R51
2K7 0805
R52
2K7 0805
R58
1K8 0805
R57
27K 0805
C25 220N 100V/PE
C30
22N/MYL
C24
22P_S
R34
6K8 1% 0805
C32
1N5/MYL
C29
22N/MYL
1
3
2
VR3A
POT11 200KC X2 D/G
1
3
2
VR5A
POT11 200KC X2 D/G
5
6
BRKT
VR3B
POT11 200KC X2 D/G
5
6
BRKT
VR5B
POT11 200KC X2 D/G
C4
47/25
2
1
3
SW1A
SW2PCOL (SPUN)
5
4
6
SW1B
SW2PCOL (SPUN)
R9
470R 0805
13
2
VR2A
POT11 20KB C/D
13
2
VR7A
POT11 20KB C/D
1 3
2
VR4A
POT11 20KB C/D
1 3
2
VR6A
POT11 20KB C/D
5
6
BRKT
VR2B
POT11 20KB C/D
5
6
BRKT
VR4B
POT11 20KB C/D
5
6
BRKT
VR6B
POT11 20KB C/D
5
6
BRKT
VR7B
POT11 20KB C/D
2
1
3
SW4A
NF SW2PCOL (SPUN)
5
4
6
SW4B
NF SW2PCOL (SPUN)
C5
NF CAPEL 0.200/0.175
R16
NF RES SMD0805
C6
47/25
R18
47K 0805
R43
0R0 0805
RED
PIN-SOLDER 1.2MM
GRN
PIN-SOLDER 1.2MM
BLU
PIN-SOLDER 1.2MM
R74
1K2 1% 0805
LD2
LED RECT RED
R53
6K8 1% 0805
-VB
3
2
1
U3A
TL072D SMD
C9
47/25
R19
47K 0805
2
1
3
SW7A
SW2PCOL (SPUN)
5
4
6
SW7B
SW2PCOL (SPUN)
R75
10K 1% 0805
R64
4K7 1% 0805
R27
820R 1% 0805
R28
820R 1% 0805
16
4
VR14A
POT14 10KAC C/D
2 5
3
VR14B
POT14 10KAC C/D
R76
22K 1% 0805
R79
22K 1% 0805
MIXR
MIXL
C33
220/10
8
9
BRKT
VR14C
POT14 10KAC C/D
2
1
3
SW9A
SW2PCOL (SPUN)
5
4
6
SW9B
SW2PCOL (SPUN)
2
1
3
SW10A
SW2PCOL (SPUN)
5
4
6
SW10B
SW2PCOL (SPUN)
2
1
3
SW11A
SW2PCOL (SPUN)
5
4
6
SW11B
SW2PCOL (SPUN)
R77
22K 1% 0805
R80
22K 1% 0805
R65
12K 1% 0805
R66
12K 1% 0805
GRP2
GRP3
GRP4
GRP1
C21
33P 0805
13
2
VR10A
POT11 20KK
13
2
VR11A
POT11 20KK
13
2
VR12A
POT11 20KK
13
2
VR13A
POT11 20KK
13
2
VR9A
POT11 20KK
13
2
VR8A
POT11 20KK
R45
10K 1% 0805
R46
10K 1% 0805
R47
10K 1% 0805
R48
10K 1% 0805
R49
10K 1% 0805
R50
10K 1% 0805
AUX1
AUX2
AUX3
AUX4
AUX5
AUX6
2
1
3
SW5A
SW2PCOL (SPUN)
2
1
3
SW6A
SW2PCOL (SPUN)
5
4
6
SW5B
SW2PCOL (SPUN)
5
4
6
SW6B
SW2PCOL (SPUN)
R17
47K 0805
5
6
7
U3B
TL072D SMD
V-
4
V+
8
U2C
TL072D
V-
4
V+
8
U3C
TL072D SMD
2
1
3
SW8A
SW2PCOL (SPUN)
5
4
6
SW8B
SW2PCOL (SPUN)
R41
22K 0805
POST_EQ
POST_EQ
PFL
R30
100K 1% 0805
C3
47/25
DIR_OUT+
R68
56K 0805
R82
100K 1% 0805
D4
BAS16
D5
BAS16
R59
1K8 0805
R39
47K 0805
+VB
D3
BAS16
R81
220K 0805
PFL_DET
-VA
C15
100N 0805
1
1
2
2
3
3
4
4
5
5
6
6
7
7
8
8
9
9
10
10
CN1
BOX 5X2 M 90 DEG
INSEND
INSRET
INSRET
INSEND
DIR_OUT+
POST_EQ
20
20
1
1
19
19
2
2
18
18
3
3
17
17
4
4
16
16
5
5
15
15
6
6
14
14
7
7
13
13
8
8
12
12
9
9
11
11
10
10
CN4
BOX 10X2 M 90 DEG
R63
12K 0805
R69
10R PF RAD
R70
10R PF RAD
R72
10R PF RAD
R71
10R PF RAD
C8
47/25
C10
47/25
C16
100N 0805
C17
100N 0805
+VB
+VA
-VA
-VB
GRP1GRP2
GRP3GRP4
PFL_DET
PFL
AUX1
AUX2
AUX3
AUX4
AUX5
AUX6
MIXL
MIXR
5
6
BRKT
VR8B
POT11 20KK
5
6
BRKT
VR9B
POT11 20KK
5
6
BRKT
VR10B
POT11 20KK
5
6
BRKT
VR11B
POT11 20KK
5
6
BRKT
VR12B
POT11 20KK
5
6
BRKT
VR13B
POT11 20KK
R87
1K0 1% 0805
R8
22R 1206
R7
22R 1206
D1
BAS16
D2
BAS16
-VA
-VA
R73
NF RES SMD0805
LD1
NF LED T1 3MM
+VB
R3
68R 0805
R1
68R 0805
R4
68R 0805
R42
NF RES SMD0805
C13
100P_S
C12
100P_S
1
2
3
4
CN2
EARTH SCREW TERMINAL NARROW
1
2
3
4
CN5
AI1
HOLE-AI
AI2
SLOT-AI
FID1
FIDUCIAL
FID2
FIDUCIAL
R61
NF RES SMD0805
R62
NF RES SMD0805
48V
SGND
JP13
JUMP 2 SKT
JP14
JUMP 2 SKT
JP15
JUMP 2 SKT
JP16
JUMP 2 SKT
JP17
JUMP 2 SKT
R84
47K 0805
PFL
Q1
2N4403
Q2
2N4403
LG
LG
R88
0R0 0805
12KHz SHELF
HF
LM
35-1KHz 500-15KHz
HM
LF
50Hz
DF
DF
DF
DF
DF
DF
3 4
JP1B
IDC 13X2 M STRT
1 2
JP1A
IDC 13X2 M STRT
7 8
JP1D
IDC 13X2 M STRT
5 6
JP1C
IDC 13X2 M STRT
910
JP1E
IDC 13X2 M STRT
1112
JP1F
IDC 13X2 M STRT
1314
JP1G
IDC 13X2 M STRT
1516
JP1H
IDC 13X2 M STRT
2324
JP1L
IDC 13X2 M STRT
2122
JP1K
IDC 13X2 M STRT
1920
JP1J
IDC 13X2 M STRT
1718
JP1I
IDC 13X2 M STRT
DF
DF
DF
DF
DF
DF
R54
2K7 0805
+VB
R78
22K 0805
C34
100N 0805
R85
1M0 1% 0805
R83
82K 0805
Q6
BC848B
LD3
LED T1 3MM RED
LG
Q5
BC848B
Q7
BC848B
+VB
LD4
LED T1 3MM GREEN
R86
2K2 1% 0805
LG
LG
LG
R89
4M7 1% 0805
-VA
R90
47K 0805
D6
BAS16
C35
1/63
B AAT 02-12-03 MG
A MG 22-09-03
C36
47/25
FID-P1
FIDUCIAL
FID-P2
FIDUCIAL
AI3
HOLE-AI
AI4
SLOT-AI
003-118/1
003-208 iss.2

Related product manuals