EasyManua.ls Logo

ALLEN & HEATH 14:4:2 MixWizard WZ3 - Page 42

ALLEN & HEATH 14:4:2 MixWizard WZ3
78 pages
Print Icon
To Next Page IconTo Next Page
To Next Page IconTo Next Page
To Previous Page IconTo Previous Page
To Previous Page IconTo Previous Page
Loading...
Kernick Industrial Estate,
Penryn, Cornwall,
England. TR10 9LU
+44 (0)8707 556250
+44 (0)8707 556251
2
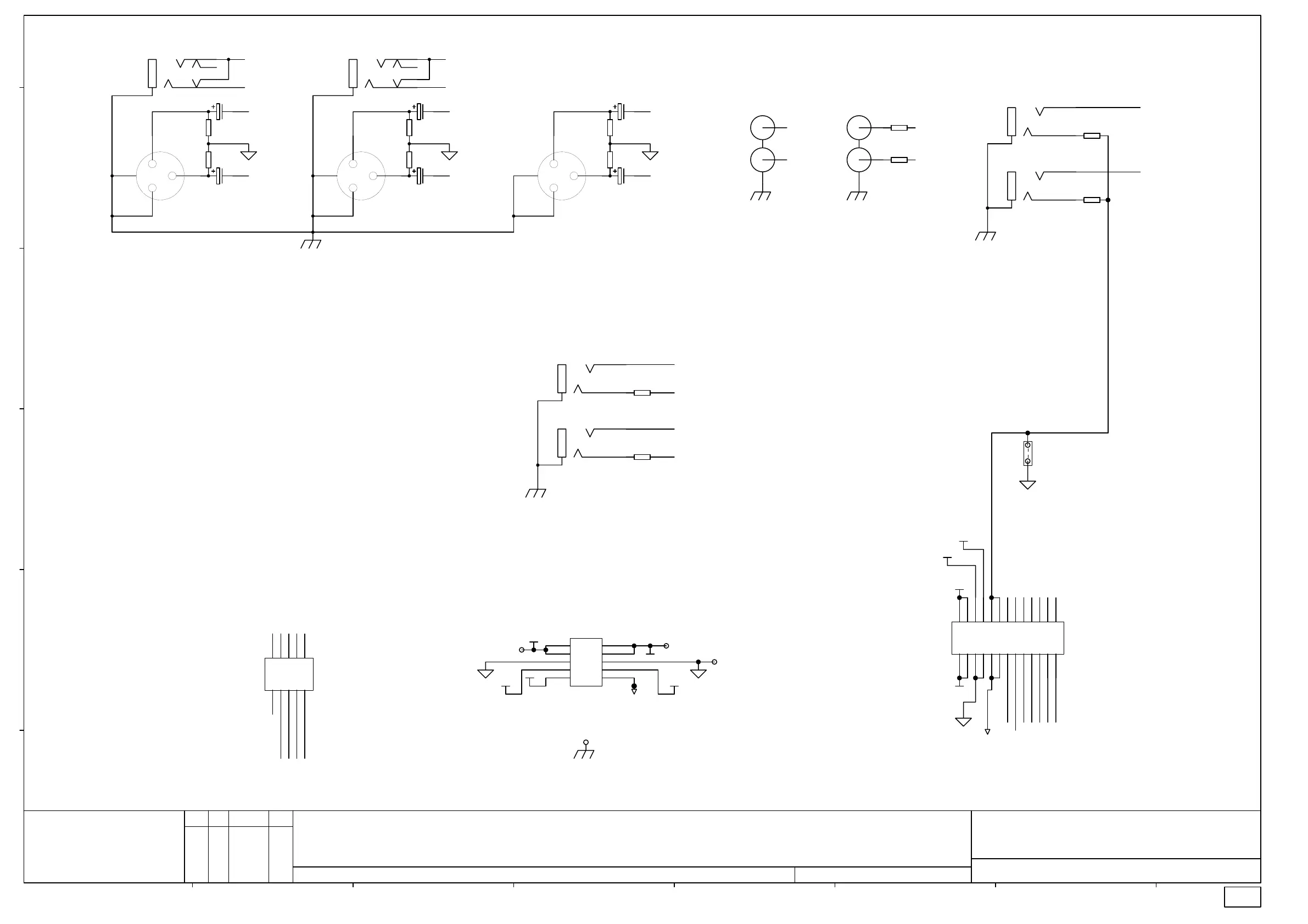
WZ³14:4:2 CONNECTOR
C5399 14 14
PAGE:
TITLE:
DRG No: ISSUE: SHEET: OF
ISSUE BY DATE
FILE: C5399_2 LR.Sch 10:35:17 24-Aug-2004
ALLEN&HEATH
Tel:
Fax:
PRINTED:
ABCDEFGH
a
b
c
d
e
CHK
BY
T
R
CN400
JACK V5M
INSEND_MIXL
INSRET_MIXL
T
R
CN401
JACK V5M
INSEND_MIXR
INSRET_MIXR
3
1 2
0
CN402
XLR NC3MAV20
3
1 2
0
CN403
XLR NC3MAV20
3
1 2
0
CN404
XLR NC3MAV20
MIXL_OUT+
MIXL_OUT- MIXR_OUT- MONO_OUT-
MONO_OUT+MIXR_OUT+
R405
100K 1%
R404
100K 1%
C405
47/25
C404
47/25
R403
100K 1%
R402
100K 1%
C403
47/25
C402
47/25
R401
100K 1%
R400
100K 1%
C401
47/25
C400
47/25
FROM PSU PCB
MASTER CONNS
T
R
CN409
JACK V3M
T
R
CN410
JACK V3M
R408
0R0
R409
0R0
AUX5_OUT+
AUX6_OUT+
AUX5_OUT-
AUX6_OUT-
1
1
2
2
3
3
4
4
5
5
6
6
7
7
8
8
9
9
10
10
CN411
BOX 5X2 M 90 DEG
AUX5_OUT+AUX5_OUT-
MIXL_OUT+MIXL_OUT-
INSEND_MIXLINSRET_MIXL
FROM LEFT
AUX6_OUT+AUX6_OUT-
MIXR_OUT+MIXR_OUT-
INSEND_MIXRINSRET_MIXR
2TRK_IN_L2TRK_IN_R
2TRK_OUT_R 2TRK_OUT_L
LOCAL_MON_LLOCAL_MON_R
1
1
2
2
3
3
4
4
5
5
6
6
7
7
8
8
9
9
10
10
11
11
12
12
13
13
14
14
15
15
16
16
17
17
18
18
19
19
20
20
21
21
22
22
23
23
24
24
25
25
26
26
CN412
BOX 13X2 M 90 DEG
MONO_OUT+MONO_OUT-
DGND
FROM RIGHT
+10V
-15V
+15V
+48V
T
R
CN407
JACK V3M
T
R
CN408
JACK V3M
2TRK_IN_L
2TRK_IN_R 2TRK_OUT_R
2TRK_OUT_L
LOCAL_MON_L
LOCAL_MON_R
W
R
CN406
RCA PHONO 2V R/W
W
R
CN405
RCA PHONO 2V R/W
R406
68R
R407
68R
A AAT XXX26-09-03
1
1
2
2
3
3
4
4
5
5
6
6
7
7
8
8
9
9
10
10
CN413
BOX 5X2 M 90 DEG
DGND
+10V
-15V
+15V
+48V
+10V
P1
PIN-SOLDER 1.5MM
P2
PIN-SOLDER 1.5MM
P3
PIN-SOLDER 1.5MM
P4
PIN-SOLDER 1.5MM
P5
PIN-SOLDER 1.5MM
1 AAT XXX28-01-04
R410
68R
R411
68R
LK34
LINK TCW
2 JB XXX01-04-04
003-209/14
003-209 iss.2

Related product manuals