EasyManua.ls Logo

ALLEN & HEATH GL3800 - Specifications; Performance Specifications; Channel EQ Specifications

ALLEN & HEATH GL3800
74 pages
To Next Page IconTo Next Page
To Next Page IconTo Next Page
To Previous Page IconTo Previous Page
To Previous Page IconTo Previous Page
Loading...
Kernick Industrial Estate,
Penryn, Cornwall,
England. TR10 9LU
+44 (0)8707 556250
+44 (0)8707 556251
3
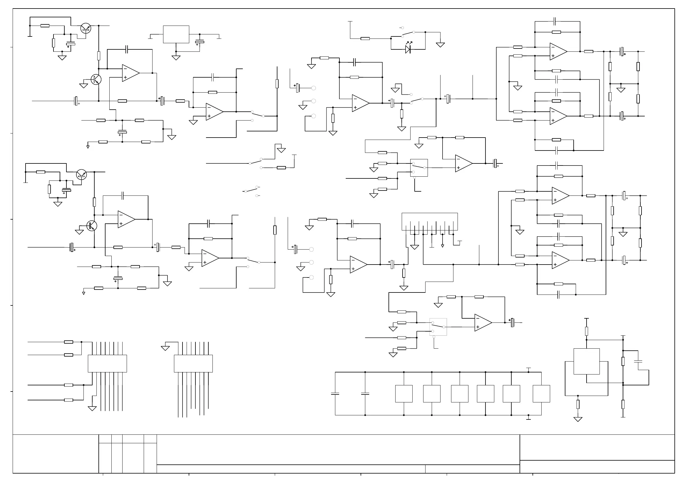
GL2800 MASTER LEFT
C5866 1 4
PAGE:
TITLE:
DRG No: ISSUE: SHEET: OF
ISSUE BY DATE
FILE: C5866_3P1.Sch 12:09:33 7-Jun-2005
ALLEN&HEATH
Tel:
Fax:
PRINTED:
ABCDEFGH
a
b
c
d
e
CHK
BY
MIXL
R34
68R 0805
P1
RED
P2
GRN
P3
BLU
INSEND_MIXL
INSRET_MIXL
3
2
1
U3A
NE5532 SMD
R41
2K2 1% 0805
R55
4K7 1% 0805
C50
22P_S
R51
33K 1% 0805
R107
10K 1% 0805
R106
10K 1% 0805
R108
10K 1% 0805
R42
2K2 1% 0805
R43
2K2 1% 0805
R140
47R 0805
R139
47R 0805
3
2
1
U5A
TL072D SMD
5
6
7
U5B
TL072D SMD
C51 22P_S
C52 22P_S
C53 22P_S
MIXL_OUT+
MIXL_OUT-
R57
4K7 1% 0805
R58
4K7 1% 0805
R59
4K7 1% 0805
R60
4K7 1% 0805
C10
47/25
C64
100/25
C65
100/25
R93
47K 0805
R94
47K 0805
SYS_MIXL
C17
47/25
POST_MIXL
MIXR
R35
68R 0805
P4
RED2
P11
GRN2
P12
BLU2
INSEND_MIXR
INSRET_MIXR
5
6
7
U3B
NE5532 SMD
R44
2K2 1% 0805
R61
4K7 1% 0805
C54
22P_S
R52
33K 1% 0805
R113
10K 1% 0805
R112
10K 1% 0805
R114
10K 1% 0805
R45
2K2 1% 0805
R46
2K2 1% 0805
R141
47R 0805
R142
47R 0805
3
2
1
U6A
TL072D SMD
5
6
7
U6B
TL072D SMD
C56 22P_S
C57 22P_S
C58 22P_S
MIXR_OUT+
MIXR_OUT-
R66
4K7 1% 0805
R67
4K7 1% 0805
R68
4K7 1% 0805
R73
4K7 1% 0805
C16
47/25
C66
100/25
C67
100/25
R95
47K 0805
R96
47K 0805
SYS_MIXR
R111
10K 1% 0805
C55 22P_S
R117
10K 1% 0805
C59 22P_S
V-
4
V+
8
U1C
NE5532 SMD
V-
4
V+
8
U3C
NE5532 SMD
V-
4
V+
8
U2C
TL072D SMD
V-
4
V+
8
U4C
TL072D SMD
V-
4
V+
8
U5C
TL072D SMD
V-
4
V+
8
U6C
TL072D SMD
INSEND_MIXLINSRET_MIXL
INSEND_MIXRINSRET_MIXR
MIXL_OUT+ MIXL_OUT-
MIXR_OUT+ MIXR_OUT-
3
2
1
U1A
NE5532 SMD
R22
8K2 0.5% 0805 TF
C42
33P 0805
3
2
1
U2A
TL072D SMD
R23
4K7 1% 0805
R30
5K6 0805
C43
33P 0805
C1
1000/6.3
Q5
2SB737
R10
22K 0.5% 0805 TF
-VC
R14
10K 0.5% 0805 TF
R15
10K 0.5% 0805 TF
C6
47/25
R1
330K 1% 0805
Q1
BC856A
R145
0R0 0805
R150
NF RES SMD0805
GC
R6
47K 0.5% 0805 TF
C7
47/25
BIAS_A
BIAS_A
-VS
C8
47/25
-VC
C5
47/25
5
6
7
U1B
NE5532 SMD
R24
8K2 0.5% 0805 TF
C44
33P 0805
5
6
7
U2B
TL072D SMD
R25
4K7 1% 0805
R31
5K6 0805
C45
33P 0805
C2
1000/6.3
Q6
2SB737
R11
22K 0.5% 0805 TF
-VC
R16
10K 0.5% 0805 TF
R17
10K 0.5% 0805 TF
C18
47/25
R2
330K 1% 0805
Q2
BC856A
R146
0R0 0805
R151
NF RES SMD0805
GC
R7
47K 0.5% 0805 TF
C14
47/25
BIAS_B
BIAS_B
C13
47/25
TB/OSC_OUT
A MG 18-10-04
A
14
11
13
12
U7A
74HCT4053
2
1
3
SW14A
SW4PCOL (SPUN)
11
10
12
SW14D
SW4PCOL (SPUN)
C11
220/10
C19
220/10
R92
47K 0805
R97
47K 0805
5
4
6
SW15B
SW2PCOL (SPUN)
2
1
3
SW15A
SW2PCOL (SPUN)
C12
47/25
R63
4K7 1% 0805
R62
4K7 1% 0805
3
2
1
U4A
TL072D SMD
R110
10K 1% 0805
R109
10K 1% 0805
L_TO_MTX
METER_L
DG
+VB
-VB
TO MASTER SUB PCB
C21
47/25
2
1
10
15
B
U7B
74HCT4053
R70
4K7 1% 0805
R69
4K7 1% 0805
5
6
7
U4B
TL072D SMD
R116
10K 1% 0805
R115
10K 1% 0805
R_TO_MTX
POST_MIXR
R65
4K7 1% 0805
R64
4K7 1% 0805
REV_LR
REV_LR
R72
4K7 1% 0805
R71
4K7 1% 0805
POST_AUX9
POST_AUX10
5
4
6
SW14B
SW4PCOL (SPUN)
8
7
9
SW14C
SW4PCOL (SPUN)
VDD
R154
100K 1% 0805
REV_LR
INH
6
VEE
7
VSS
8
VDD
16
U7D
74HCT4053
R53
4K7 1% 0805
R54
4K7 1% 0805
R118
6K8 1% 0805
+VA
-VA
VDD
R101
0R0 0805
AUX9_OUT+ AUX9_OUT-
AUX10_OUT+ AUX10_OUT-
1
1
2
2
3
3
4
4
16
16
5
5
15
15
6
6
14
14
7
7
13
13
8
8
12
12
9
9
11
11
10
10
CN4
BOX 8X2 M 90 DEG
+VA
-VA
C70
100N/50V 0805
C69
100N/50V 0805
C68
100N/50V 0805
1
1
2
2
3
3
4
4
16
16
5
5
15
15
6
6
14
14
7
7
13
13
8
8
12
12
9
9
11
11
10
10
CN5
BOX 8X2 M 90 DEG
To Master Distribution PCB
To Master Conector PCB
LD3
LED RECT 5X2.5MM TOMB RED
R56
4K7 1% 0805
+VB
L_TO_MTXR_TO_MTX
AUX9_TO_MONAUX10_TO_MON
SYS_MIXLSYS_MIXR
SYS_AUX9SYS_AUX10
TB_TO_MTX1_2TB_TO_MTX3_4
LR_TO_MONO
Vin
2
GND
1
-12V
3
U8
MC79M12BDT SMD
PRE_INS_MIXL
PRE_INS_MIXR
SYS_AUX9
SYS_AUX10
R98
68R 0805
R102
68R 0805
R205
NF RES SMD0805
R206
NF RES SMD0805
L_TO_MTX
R_TO_MTX
SYS_MIXL
SYS_MIXR
2TRACK OUT
SOURCE
1
2
3
4
5
6
7
8
9
10
11
12
CN9
FLEX SKT 12 WAY VERT
DIM=0V
1 MG 28/01/05
2 MG 14/02/05
POST_MIXLPOST_MIXR
2.1 MG 19/04/05
3 MG 18/05/05
Iss 2.1 meter circuit value change & R157, R160 to 12k
003-369 iss.3

Other manuals for ALLEN & HEATH GL3800

Related product manuals