EasyManua.ls Logo

Alpha-InnoTec LW - Swimming Pool

Alpha-InnoTec LW
48 pages
Print Icon
To Next Page IconTo Next Page
To Next Page IconTo Next Page
To Previous Page IconTo Previous Page
To Previous Page IconTo Previous Page
Loading...
34
8
8
10
8
8
10
7
42
ZIP
54
B
TBW
8
10
14
BUP
8
8
8
10
23
ZUP
8
8
10
22
SUP
56
3
3
31
31
5
5
7
24
16
1
104
51
G
TRL
2
2
11
11
8
8
8
8
10
10
8
8
STA
D
15
9
HUP
21
FP1
MK1
C
TB1
16
DE.833321 / Code
000
J
62
A
TA
8
8
10
23
ZUP
8
8
10
FP2
AB
B
A
FP2
20
ZWE 2
18
ZWE 1
C
TB2
T
103
T
102
T
102
61
We reserve the right to modify technical specifications without prior notice.
83051400aUK © Alpha-InnoTec GmbH
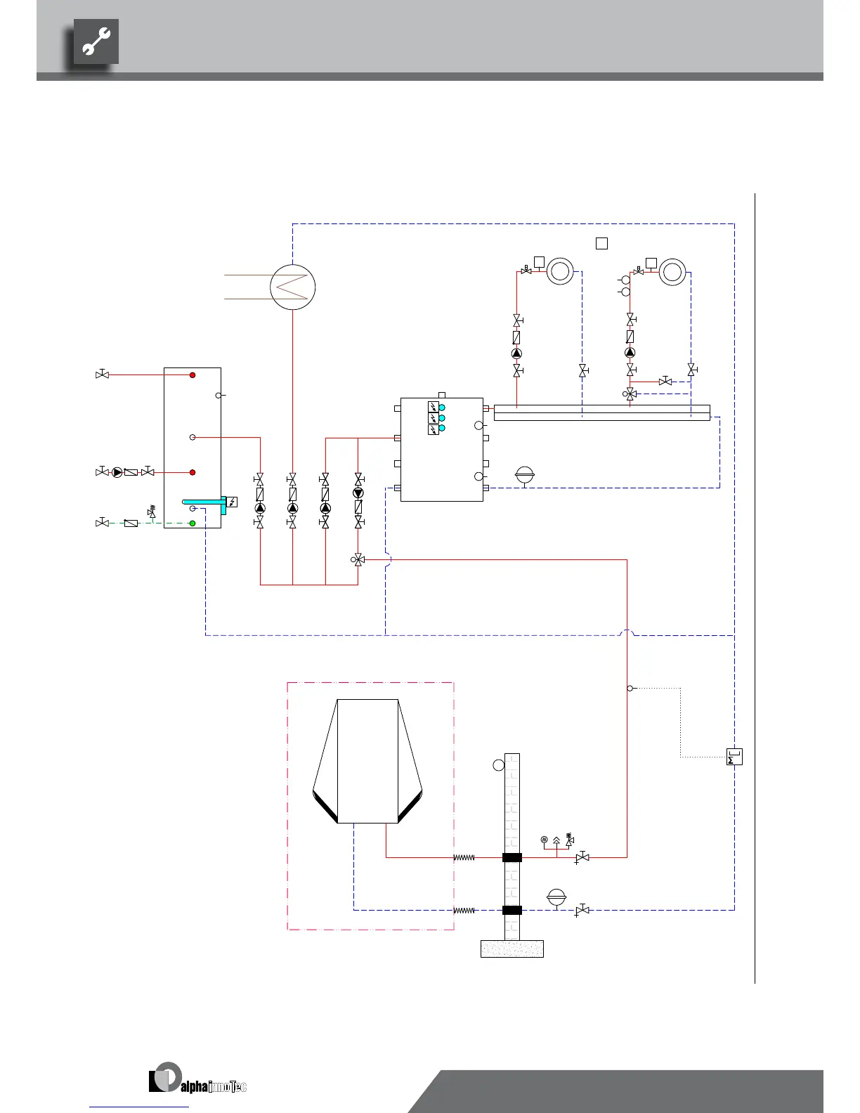
Swimming pool
Hydraulic connection

Related product manuals