EasyManua.ls Logo

Alpha-InnoTec LW - Page 39

Alpha-InnoTec LW
48 pages
Print Icon
To Next Page IconTo Next Page
To Next Page IconTo Next Page
To Previous Page IconTo Previous Page
To Previous Page IconTo Previous Page
Loading...
39
L Reg
/1.13
MOT
/1.13
R23
/1.13
N Reg
/1.13
PE
/1.13
12
-X12
L
-X7
6
1
11
N
P
+-
b2 c4
a1
-F1
HDP
5
12
/1.6
34
/1.6
56
/1.6
21 22
/1.6
1
A1
A2
-K1
VD1
10
-X12
A1
A2
-K3
7
-X12
2
-X7
-Y1
3
-X12
P
+-
c4
a1
-F2
NDP
P
-+
c4
a1
-E1
AEP
9
-X12
ϑ
1
-X52
-R4
TRL
2
ϑ
3
-R5
TVL
4
ϑ
5
-R6
THG
6 7 8 9
29
-X7
-R10
CW
10
30
ϑ
11
-R7
TWEFS
12
12
/1.9
34
/1.9
56
/1.10
21 22
/1.11
Y1
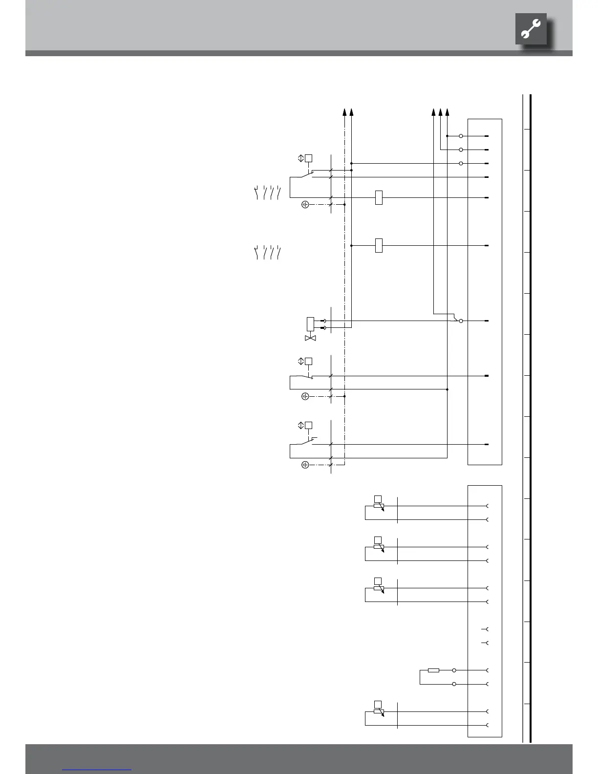
Safety temperature limiter heating element
ZW1
STB
-Y1
K6
L1
Contactor for auxiliary heating
Flow sensor
TRL
Low-pressure switch
-X52
TWEFS
ASD
Defrosting valve
Legend:
NDP
E1 Defrosting pressostat
VD1MOT
X7
R3
Terminal in switch box heat pump
X12
Function
AEP
Contactor for compressor 1
HDP
R10
-X12
F2
HD
Operating materials
VBO
VD1
UK817072
Plug on switch box heat pump (control line)
Contactor fanK3
bl
Hot gas sensor
-F1
N
TWA
Encoding resistor, 2700 Ohm
bl
bl
2PE
Freeze protection sensor
THG
R7 TWEFS
1
AV
-E1
ND
VBO
rt
TVL
THG
TRL
Plug on switch box heat pump (gauge line)
R5
F1 High-pressure switch
K1
PE
R4
X52
Return sensor
CW
If installed: heat source outlet gauge
bl
PE
TVL
R6
-F2
LW 90-140 A/RX
817072
Achim Pfleger 05.03.2009
- PEP 013/2008
1 2 3 4 5 6 7 8 9 10 11 12 13 14 15 16
1 2 3 4 5 6 7 8 9 10 11 12 13 14 15 16
2/2
2
22.10.2009
Achim Pfleger
10X431 - 10X432;
Blatt-Nr.
Zustand
Änderung
Bearb.
Datum
Name
Bl von Anz
Datum
We reserve the right to modify technical specifications without prior notice.
83051400aUK © Alpha-InnoTec GmbH
Circuit diagram 2/2 LW 90A/RX • LW 140A/RX

Related product manuals