EasyManua.ls Logo

Alpha AlphaGen DCX2000 - Y-Style Connection

Alpha AlphaGen DCX2000
31 pages
Print Icon
To Next Page IconTo Next Page
To Next Page IconTo Next Page
To Previous Page IconTo Previous Page
To Previous Page IconTo Previous Page
Loading...
12 041-135-B0-001 Rev. A (07/2013)
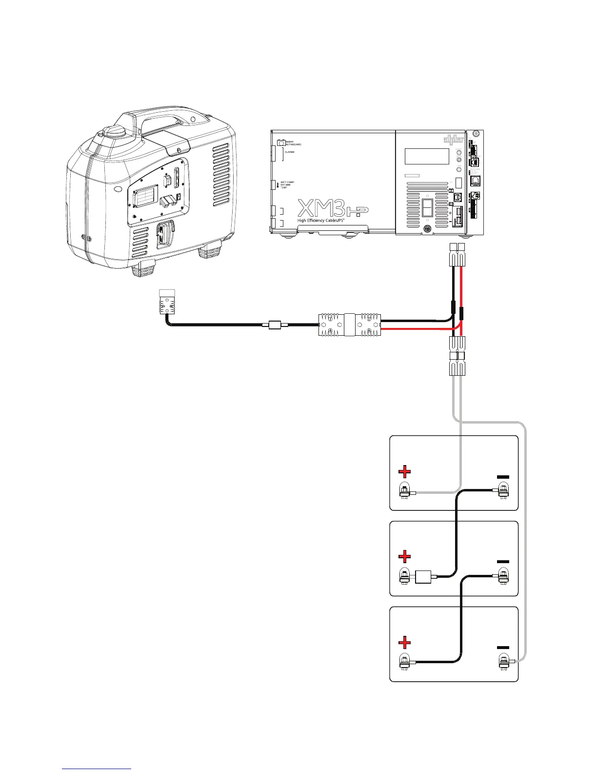
2.4 Power System Connections
2.4.1 Y-Style Connection
Fig. 2-4, Y-Style Connection
2
1
3
F us e
ALM/
RDY
RST
FLASH = MIN ALM
OUTPUT 1
~
N
OUTPUT 2
SOLID = MAJ ALM
STRG A
STRG B
STRG C
STRG D
TPR
ENV
Rx/Tx PWR
E
T
H
A
/
B
C
/
D
C
O
M
REG
DS
ACT
LNK
BLUE = WARN
GRN = OK
ON
OFF
O
I
i
~
N
OUTPUT
ALARM
TEST
BATTERY
TEMP
LRI
BATTERY
INPUT
BATTERY
BREAKER
Y-Style
Battery Pack
Adapter Cable
P/N 874-946-22
Generator Output Cable
50' P/N 876-011-21
30' P/N 876-011-20
2.0 Operation, continued