EasyManua.ls Logo

Alpha AlphaGen DCX2000 - Ring Lug Style Connection

Alpha AlphaGen DCX2000
31 pages
Print Icon
To Next Page IconTo Next Page
To Next Page IconTo Next Page
To Previous Page IconTo Previous Page
To Previous Page IconTo Previous Page
Loading...
13041-135-B0-001 Rev. A (07/2013)
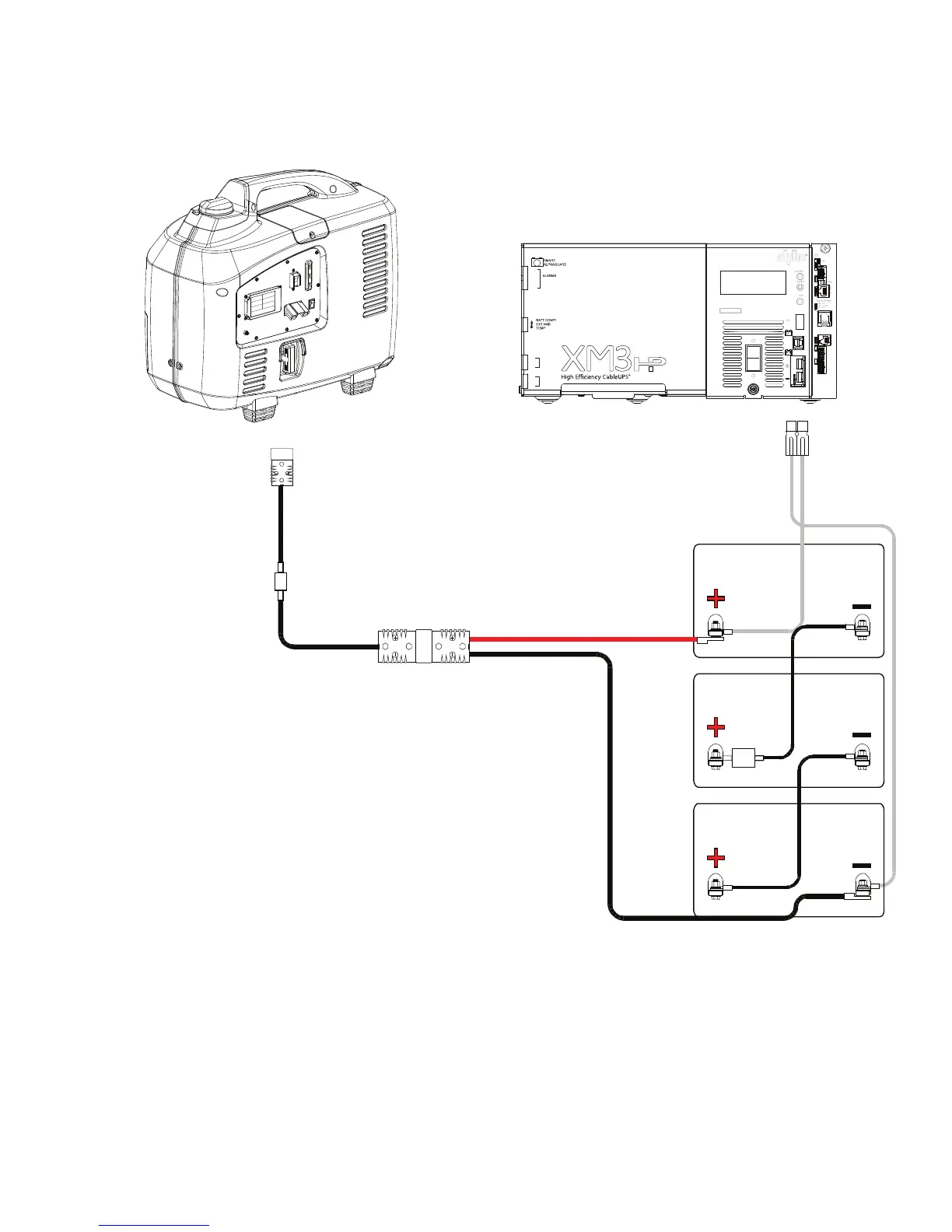
Fig. 2-5, Ring Lug Style Connection
2.4 Power System Connections, continued
2.4.2 Ring Lug Style Connection
2.0 Operation, continued
2
1
3
F us e
ALM/
RDY
RST
FLASH = MIN ALM
OUTPUT 1
~
N
OUTPUT 2
SOLID = MAJ ALM
STRG A
STRG B
STRG C
STRG D
TPR
ENV
Rx/Tx PWR
E
T
H
A
/
B
C
/
D
C
O
M
REG
DS
ACT
LNK
BLUE = WARN
RED = OUT
GRN = OK
ON
OFF
O
I
i
~
N
OUTPUT
ALARM
TEST
BATTERY
TEMP
LRI
BATTERY
INPUT
BATTERY
BREAKER
Ring Lug Style
Battery Pack Adapter Cable
P/N 874-946-21
Cable lugs connect directly
to the battery terminals
Generator Output Cable
50' P/N 876-011-21
30' P/N 876-011-20