EasyManua.ls Logo

Alpine INE-W947E - Page 92

Alpine INE-W947E
180 pages
Print Icon
To Next Page IconTo Next Page
To Next Page IconTo Next Page
To Previous Page IconTo Previous Page
To Previous Page IconTo Previous Page
Loading...
92-EN
01GB06INE-W947E.fm
ALPINE INE-W947E 68-24567Z10-A (EN)
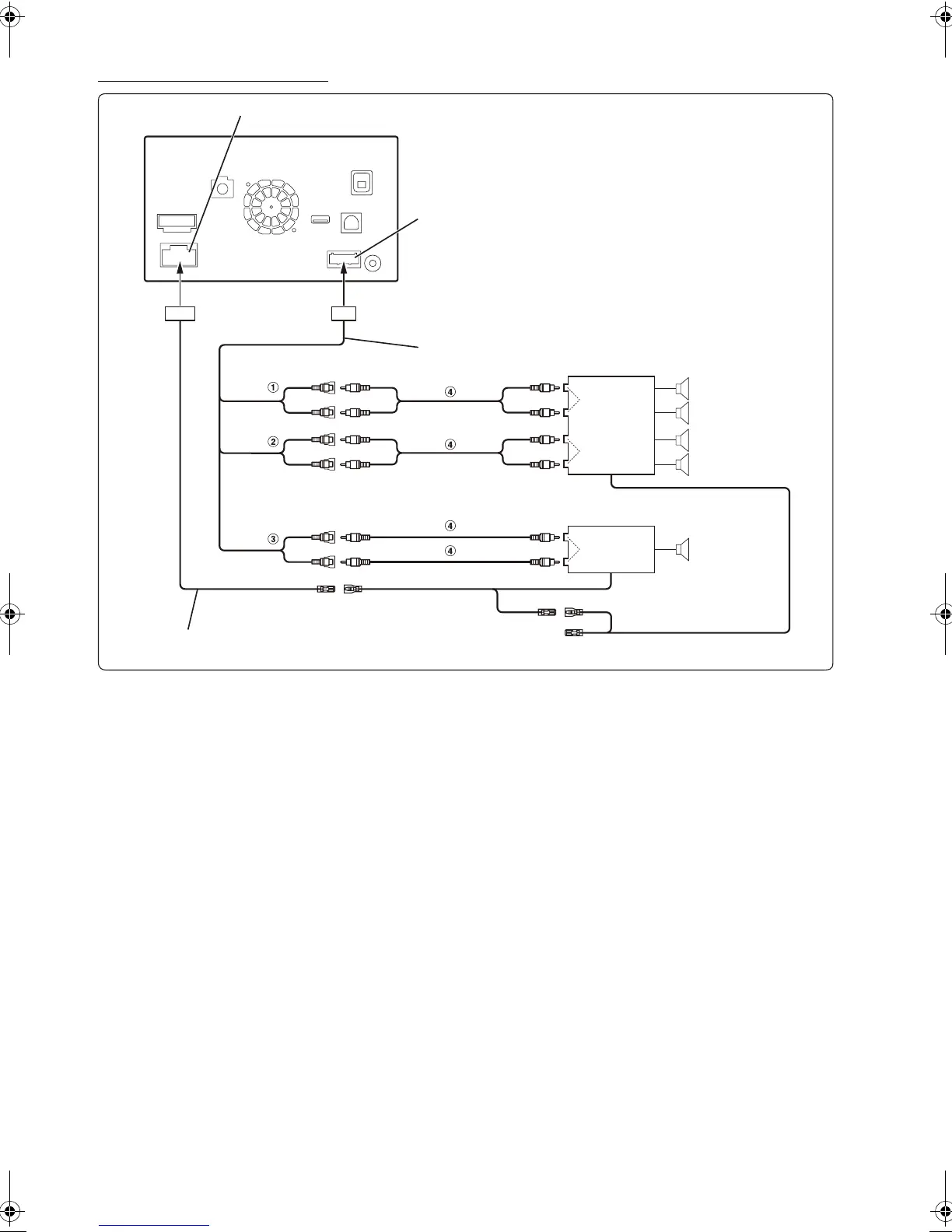
Connection of an External Amplifier
1 Front Output RCA Connectors
RED is right and WHITE is left.
2 Rear Output RCA Connectors
RED is right and WHITE is left.
3 Subwoofer RCA Connector
4 RCA Extension Cable (Sold separately)
AUX/PRE OUT Connector
Power Supply Connector
AUX/PRE OUT cable
(Red)
(White)
Amplifier 4 ch (Sold separately)
Input
Input
Front speaker
Rear speaker
REMOTE TURN-ON
(Blue/White)
Power cable
Amplifier for subwoofer (Sold separately)
Input
Subwoofer
(Red)
(White)
REMOTE ON
(Blue/White)
REMOTE ON
(Blue/White)
(Red)
(White)
01GB00INE-W947E.book Page 92 Tuesday, April 9, 2013 1:33 PM

Table of Contents