EasyManua.ls Logo

Alpine IVA-D105 - System Connection Layout; Main Unit Connector Guide

Alpine IVA-D105
83 pages
Print Icon
To Next Page IconTo Next Page
To Next Page IconTo Next Page
To Previous Page IconTo Previous Page
To Previous Page IconTo Previous Page
Loading...
76-EN
+01GB07IVAD105.fm
ALPINE IVA-D105 68-08564Z59-A (EN)
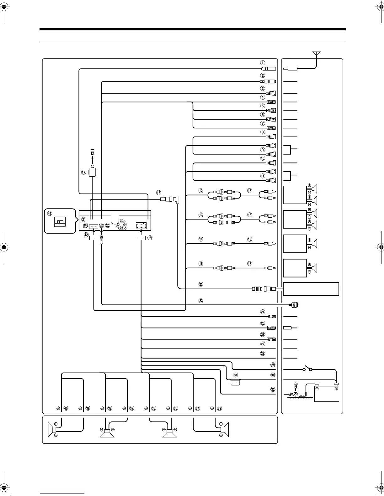
Connections
Set the system switch to “NORM” when only a changer is connected (when the Ai-NET compatible equalizer is not used).
* The system switch is located on the right of the unit (if the front panel is viewed from the front).
EQ/DIV
*
NORM
SPEAKER
LEFT
FRONT
(White)
SPEAKER
LEFT
REAR
(
Green/
Black)
SPEAKER
RIGHT
REAR
(Violet)
SPEAKER
RIGHT
FRONT
(Gray/
Black)
Front left
(White/
Black)
Speakers
(Red)
Battery
Rear left Rear right Front right
(Green)
(Violet/
Black)
(Gray)
To amplifier or
equalizer
To power antenna
To vehicle phone
To the parking brake
signal lead
To the foot brake cord
or brake lamp cord
Ignition key
BATTERY (Yellow)
GND (Black)
IGNITION (Red)
REMOTE TURN-ON (Blue/White)
POWER ANT (Blue)
AUDIO INTERRUPT IN (Pink/Black)
PARKING BRAKE (Yellow/Blue)
FOOT BRAKE (Yellow/Black)
To iPod
CD Changer (Sold
Separately)
Amplifier
Amplifier
Amplifier
Amplifier
Rear Left
Rear Right
Front Left
Front Right
Subwoofer
Center
Speaker
To Audio output
terminals (R, L)
To Audio input
terminals (R, L)
To Video output
terminal
To Video Input
Terminal
(White)
(Yellow)
(Red)
(White)
(Yellow)
M.CONT (White/Pink)
REVERSE (Orange/White)
REMOTE IN (White/Brown)
REMOTE OUT (White/Brown)
To monitor control
lead
To plus side of the
back lamp signal lead
of the car
To remote output lead
To remote input lead
To back-up camera
To steering remote
control interface box
Antenna
+01GB00IVAD105.book Page 76 Monday, January 15, 2007 4:02 AM

Table of Contents

Related product manuals