EasyManua.ls Logo

Alpine IVA-D105 - System Example Diagram; Multi-Component System Connection

Alpine IVA-D105
83 pages
Print Icon
To Next Page IconTo Next Page
To Next Page IconTo Next Page
To Previous Page IconTo Previous Page
To Previous Page IconTo Previous Page
Loading...
78-EN
+01GB07IVAD105.fm
ALPINE IVA-D105 68-08564Z59-A (EN)
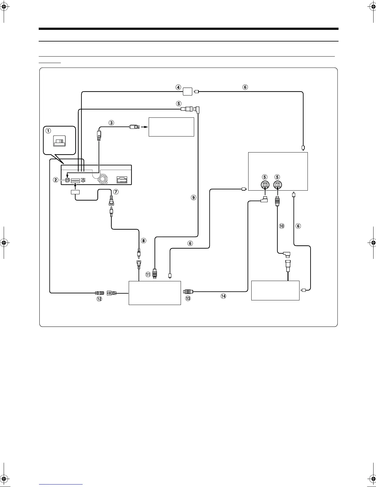
System Example
Connect the Ai-NET compatible audio processor (Fiber optic digital compatible), Navigation system, DVD player and
changer.
When the fiber optic compatible product is connected, it is necessary to set the mode of this unit. Refer to “Setting the Digital Output” (page 38)
and set to ON.
When the NVA-N751AS is connected for the Navigation System, use the RGB conversion cable KWE-503N (Sold separately).
Please observe the following when using Fiber Optic Cable.
Do not coil the Fiber Optic Cable smaller than a 30 mm radius.
Do not place anything on top of the Fiber Optic Cable.
Be careful not to bend the Fiber Optic Cable at a sharp angle.
EQ/DIVNORM
Navigation system
(Sold Separately)
NVE-N852A/NVE-N871A/NVE-N872A
Fiber optic cable
Fiber optic digital Input
terminal (for head unit)
Audio Processor (Ai-NET)
(Fiber optic digital
compatible)
(Sold Separately)
<Monitor unit>
Fiber optic
digital Input
terminal (for
DVD Player)
Ai-NET
cable
Fiber optic digital
Input terminal
(for Changer)
*Fiber optic cable
Ai-NET
cable
CD Changer
(Ai-NET)
(Sold Separately)
*Only connect fiber optic digital compatible CD Changer
DVD Video Player
(Ai-NET)
(DVA-5210 etc.)
(Sold Separately)
Fiber optic cable
REMOTE IN
REMOTE OUT
(White/Brown)
(White/Brown)
(Yellow)
Ai-NET cable
(Yellow)
+01GB00IVAD105.book Page 78 Monday, January 15, 2007 4:02 AM

Table of Contents

Related product manuals