EasyManua.ls Logo

Alpine IVA-D105 - External Equipment Connection Guide; Connecting External Video;Audio Sources

Alpine IVA-D105
83 pages
Print Icon
To Next Page IconTo Next Page
To Next Page IconTo Next Page
To Previous Page IconTo Previous Page
To Previous Page IconTo Previous Page
Loading...
80-EN
+01GB07IVAD105.fm
ALPINE IVA-D105 68-08564Z59-A (EN)
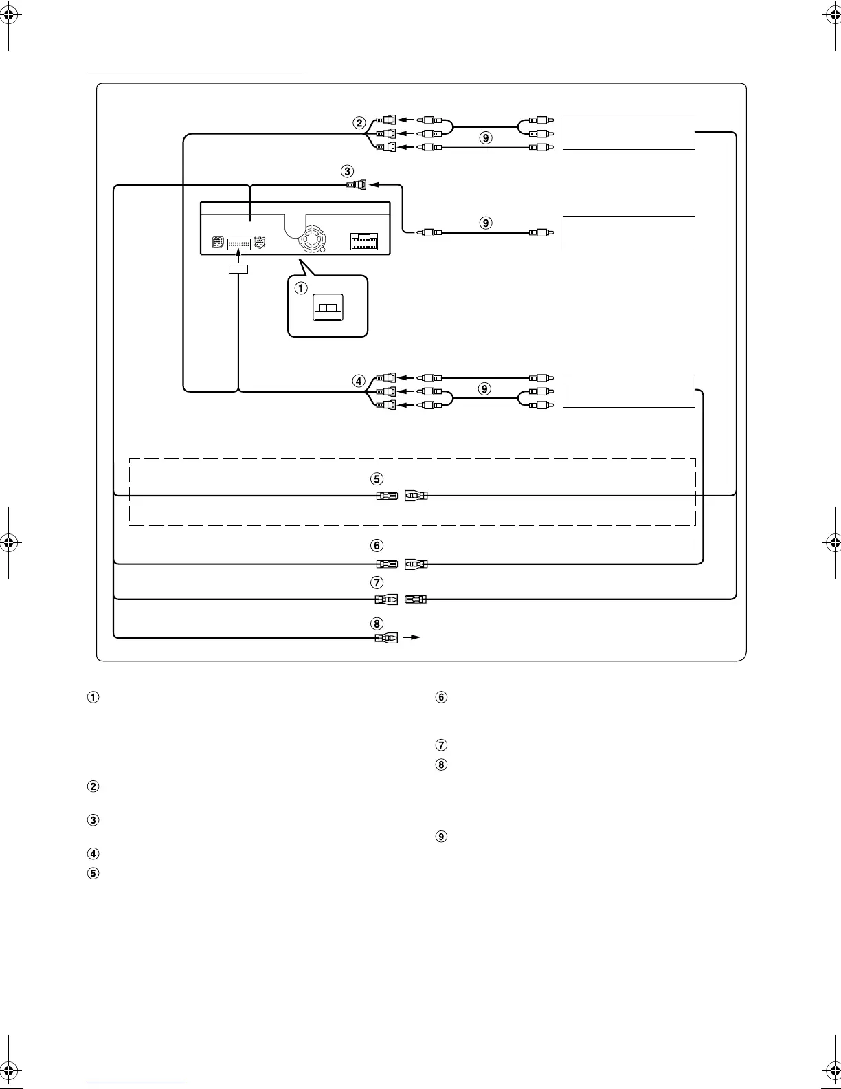
When Connecting External Equipment
EQ/DIVNORM
To Audio Input terminal
System Switch
When connecting an equalizer or divider using Ai-NET
feature, place this switch in the EQ/DIV position. When no
device is connected, leave the switch in the NORM position.
Be sure to turn the power off to the unit before changing the
switch position.
Video/Audio Output Connectors (AUX OUTPUT)
Use when connecting an optional monitor etc.
CAMERA Input Terminal
Use when connecting a back-up camera.
Video/Audio Input Connectors (AUX INPUT)
Monitor Control Lead (White/Pink)
Connect this to the Monitor Control Lead of the touch panel-
compatible rear monitor.
Remote Control Output Lead (White/Brown)
Connect this lead to the remote control input lead. This lead
outputs the controlling signals from the remote control.
Remote Control Input Lead (White/Brown)
Reverse Lead (Orange/White)
Connect to the plus side of the car’s reverse lamp which
lights when the transmission is shifted into reverse (R).
Switches the video picture to the back-up camera. This is
linked to putting the car into reverse (R).
RCA Extension Cable (Sold separately)
To Video Input terminal
To Video Output terminal
To Video Output terminal
To Audio Output terminal
Rear monitor
(Sold Separately)
Back-up camera
(Sold Separately)
TV Tuner or VCR
(Sold Separately)
(White/Pink) M.CONT M.CONT (White/Pink)
(White/Brown) REMOTE OUT REMOTE IN (White/Brown)
(White/Brown) REMOTE IN REMOTE OUT (White/Brown)
(Orange/White) REVERSE
Use only when back-up camera is connected.
* Connect this to the touch panel-compatible rear monitor.
+01GB00IVAD105.book Page 80 Monday, January 15, 2007 4:02 AM

Table of Contents

Related product manuals