EasyManua.ls Logo

Alpine iXA-W407BT - External Equipment Connection Guide; Connecting Cameras, Monitors, and Tuners; Remote Control and Power Connections

Alpine iXA-W407BT
73 pages
Print Icon
To Next Page IconTo Next Page
To Next Page IconTo Next Page
To Previous Page IconTo Previous Page
To Previous Page IconTo Previous Page
Loading...
70-EN
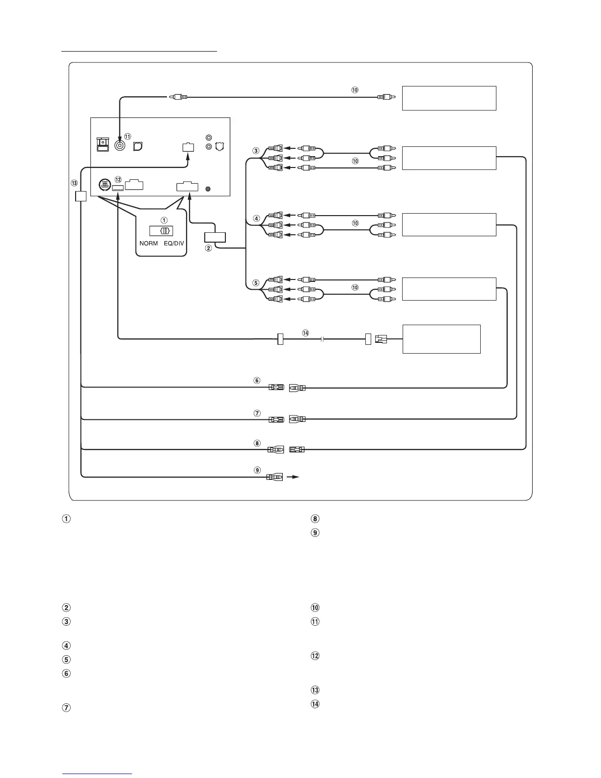
When Connecting External Equipment
System Switches
When connecting an equalizer or divider using Ai-NET
feature, place the two switches in the EQ/DIV position.
When no device is connected, leave the switches in the
NORM position.
Do not make the two switches to different settings.
Be sure to turn the power off to the unit before changing the switch
position.
24 PIN Pre-out/AUX I/O Connector
Video/Audio Output Connectors (AUX OUTPUT)
Used when connecting an optional monitor etc.
Video/Audio Input Connectors (AUX INPUT)
Video/Audio Input Connectors (AUX INPUT)
Remote Control Output Lead (White/Brown)
Connect this lead to the remote control input lead. This lead
outputs the controlling signals from the remote control.
Remote Control Output Lead (White/Brown)
Connect this lead to the remote control input lead. This lead
outputs the controlling signals from the remote control.
Remote Control Input Lead (White/Brown)
Reverse Lead (Orange/White)
Use only when a back-up camera is connected. Connect to
the plus side of the car’s reverse lamp. This lamp illuminates
when the transmission is shifted into reverse (R).
With this lead properly wired, the video picture
automatically switches to the back-up camera whenever the
car is put into reverse (R).
RCA Extension Cable (Sold Separately)
CAMERA Input RCA Connector
Used when connecting a back-up camera with RCA output
connector.
Direct CAMERA Input Connector
Used when the optional rearview camera HCE-C107D is
connected.
Remote IN/OUT Connector
Camera extension cable (included with HCE-C107D)
To Audio Input terminal
To Video Output terminal
To Audio Output terminal
Rearview camera
(Sold Separately)
TV Tuner or VCR
(Sold Separately)
(White/Brown) REMOTE OUT2
REMOTE IN (White/Brown)
(White/Brown) REMOTE IN
REMOTE OUT (White/Brown)
REVERSE
Use only when back-up camera is connected.
Rear monitor
(Sold Separately)
To Audio Output terminal
To Video Output terminal
TV Tuner or VCR
(Sold Separately)
Rear camera
(sold separately)
HCE-C107D
(Orange/White)
REMOTE IN (White/Brown)
(White/Brown) REMOTE OUT1
To Video Output terminal
To Video Input terminal

Table of Contents

Related product manuals