EasyManua.ls Logo

Alpine PKG-2000P - Page 40

Alpine PKG-2000P
103 pages
Print Icon
To Next Page IconTo Next Page
To Next Page IconTo Next Page
To Previous Page IconTo Previous Page
To Previous Page IconTo Previous Page
Loading...
5
5
4
4
3
3
2
2
1
1
D D
C C
B B
A A
R210 100R
330R
ᬍЎ
1-4 ALC
V0.8 EN2
MAINBOARD
B
49Thursday, July 06, 2006
Title
Size Document Number Rev
Date: Sheet
of
AR
ALC_ONOFF
AL
ALC_ONOFF
AUDIO_L
AR
AL
AUDIO_R
AUDIO_L
AUDIO_R
ALC_ONOFF 9
AR 7
AUDIO_L 3,8
AL 7
AUDIO_R 3,8
AMUTE7,9
AUDIO_MUTE
7,9
AUDIO_MUTE
7,9
GND_AUDIO
GND_AUDIO
GND_AUDIO
GND_AUDIO
GND_AUDIO
GND_AUDIO
GND_AUDIO
GND_AUDIO
AUDIO8V
GND_AUDIO
AUDIO8V
AUDIO8V
GND_AUDIO
GND_AUDIO
AUDIO8V_ALC
AUDIO5V
GND_AUDIO
GND_AUDIO
GND
Q33
2N3904
Q34
MMBT3906L
3
1
2
EC31
47uF/16V
C90 NC
Q35
MMBT3906L
3
1
2
C144
47PF
Q36
MMBT3906L
3
1
2
R180 47R
R179 1.5k
R208
4.7k
EC32
22uF/16V
D39
1N4148
EC80
100uF/16V
R173
470K
R171 33K
R210
330R
EC79
47uF/16V
EC77
47uF/16V
EC78
22uF/16V
R200 47R
C91
NC
C99 0.047uF
C146
47PF
R167
1.5k
R72
18k
C89
0.047uF
R164 47R
R177 10K
R172
470K
R165 47R
R169 3.9k
Q20
2N3904
1
2 3
EC34
100uF/16V
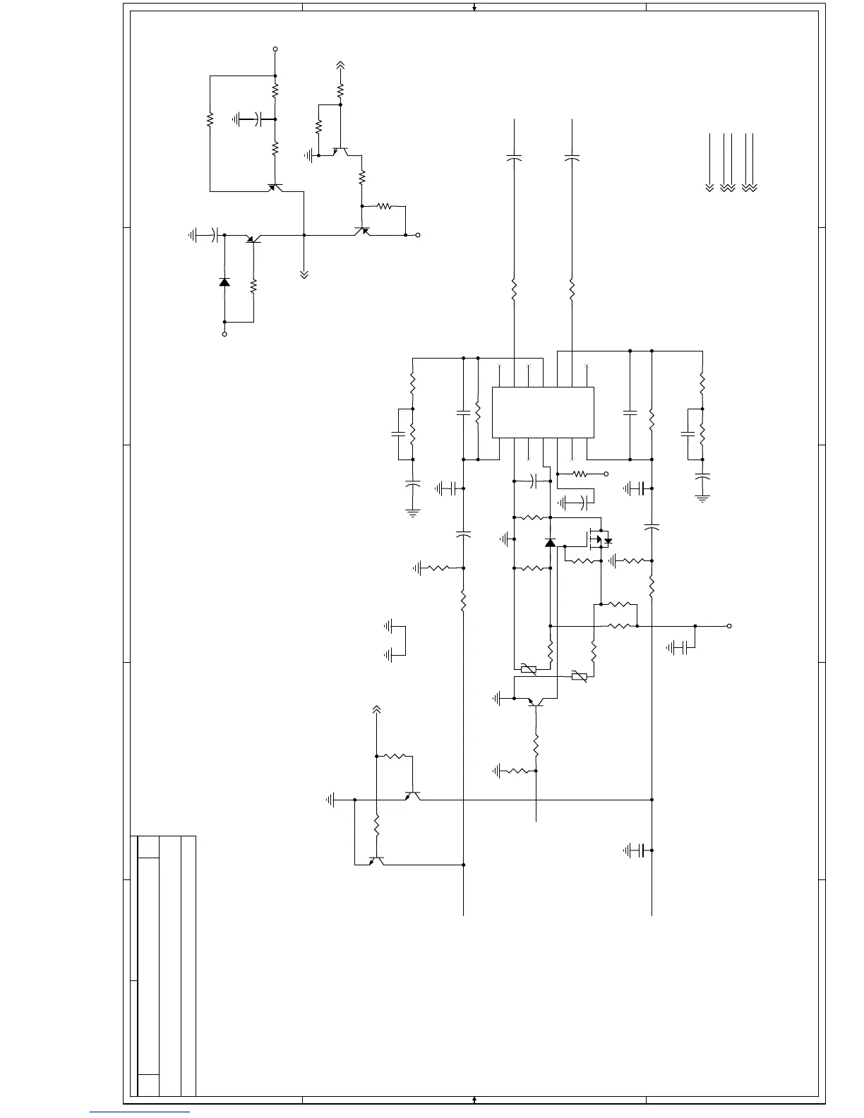
U21
BA3308F(SO14)
1
2
3
4
5
6
78
9
10
11
12
13
14
OP1
GND
NC
ALC
VCC
NC
OP2NC
IN2
NF2
NF1
NC
IN1
NC
EC75
47uF/16V
R178
10K
R75
4.7K
VR2
10K(
ৃ䇗˅
VR1
10K(
ৃ䇗˅
R175
68K
R176
4.7K
Q25
2N3904
32
1
EC74
47uF/16V
R174
18k
R84
1K
Q19
APM2301A
3
1
2
R170
10k
C98
NC
R183
10k
R77
1K
R201
33k
D30
1N4148
R204
18k
R168 3.9k
R83
100k
R91
100k
C97 NC
R205
22k
Q24
2N3904
32
1
EC76
100uF/16V
R206 470R
R166 33K
R207
10k
ˋ

Other manuals for Alpine PKG-2000P

Related product manuals