EasyManua.ls Logo

ALSA ALSATOM SU 100 MPC - Page 13

ALSA ALSATOM SU 100 MPC
37 pages
Print Icon
To Next Page IconTo Next Page
To Next Page IconTo Next Page
To Previous Page IconTo Previous Page
To Previous Page IconTo Previous Page
Loading...
-alsa apparecchi medicali srl
a-4
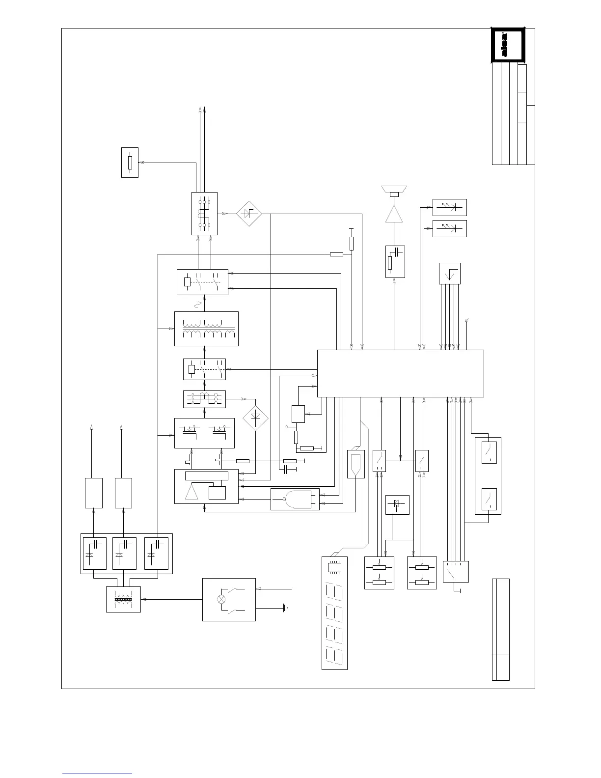
CUT / BLEND
COAG / BIPOLAR
DAC
8-bit
VOLTAGE
REGULATOR
FOOT SWITCHES
FUNCTION SELECTOR
CUT / BLND COAG / BIP
AUDIO
PWM REGULATOR
alsa apparecchi medicali s.r.l.
alsa code:------
ALSATOM SU 140/BD MPC
Rev.:P4 15/01/2002
Approval:Drawn by:
SCHEMATIC BLOCK
+5V
Z_SLCT
EN_MON
VALPWR
I_LEAK
AUDIO
LED_CUT
LED_COG
EN_BIP
CUTP_COMD
COGP_COMD
SO1
AN7
AN_G12
AN2
CGP1_AN
CTP1_AN
CGP2_AN
CTP2_AN
MOD_MEAN
\RES
CKWDT
AN5
EN_RF
KZ938
MODLT
V_PWR
COAG_ON CUT_ON
MAINS
POSITION
FUNCTION - ACTIVATION
1
2
CUT / COAG (footsw.)
BLEND / COAG (footsw.)
RF POWER
TRANSFORMER
RF POWER
STAGE
Z OUT
SELECT R.F. I OUT
TRANSFORMER
AUDIO
AMPLIFIER
FUNCTION
SWITCH
INPUT RECTIFIER
AND FILTER
LINE
TRANSFORMER
MAINS
SWITCH
I_OUT FEED
TRANSFORMER
AUDIO
FILTER
R.F. CONTROL
R.F. CONTROL
VREF
VREF
A
VOLTAGE
REGULATOR
ILIMIT
I_LEAK
BIPOLAR
+15V
+5V
WDT
PWM
COMP
DRIVER
uC
DISPLAY
AUTOTEST
LOAD
TTL-RX
TTL-TX
VTEST
FVPP
RES
EXTERNAL
PROGRAMMING
SETUP
INT7
INT6
INT5
INT4
SO1
apparecchi medicali s.r.l.
bologna

Related product manuals